EasyManua.ls Logo

York AFFINITY BHZ - Page 75

York AFFINITY BHZ
84 pages
Print Icon
To Next Page IconTo Next Page
To Next Page IconTo Next Page
To Previous Page IconTo Previous Page
To Previous Page IconTo Previous Page
Loading...
718419-YTG-D-0613
Johnson Controls Unitary Products 75
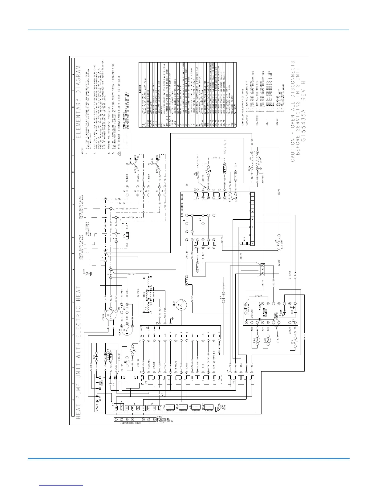
Typical BHX036 Heat Pump 460-3-60 volt Wiring Diagram

Related product manuals