EasyManua.ls Logo

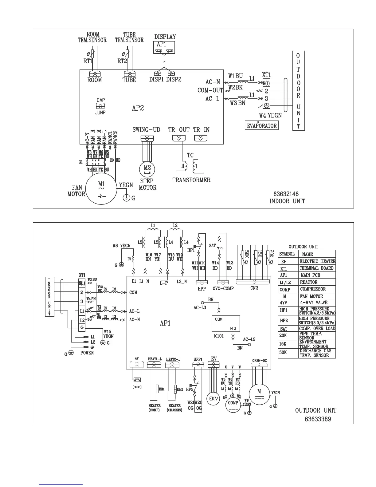
York DCPM - Wiring Diagram - Indoor Unit Heat Pumps (30 K); Wiring Diagram - Outdoor Unit Heat Pumps (36 K)

York DCPM
46 pages
Print Icon
To Next Page IconTo Next Page
To Next Page IconTo Next Page
To Previous Page IconTo Previous Page
To Previous Page IconTo Previous Page
Loading...
Johnson Controls Unitary Products 27
923180-UTG-A-1112
30K Indoor Heat Pumps
36K Outdoor Heat Pumps

Related product manuals