EasyManua.ls Logo

York HB600 - WIRING DIAGRAMS; Field Wiring for HA300 & LA300 (Figure 1)

York HB600
24 pages
To Next Page IconTo Next Page
To Next Page IconTo Next Page
To Previous Page IconTo Previous Page
To Previous Page IconTo Previous Page
Loading...
036-21345-001-B-0105
14 Unitary Products Group
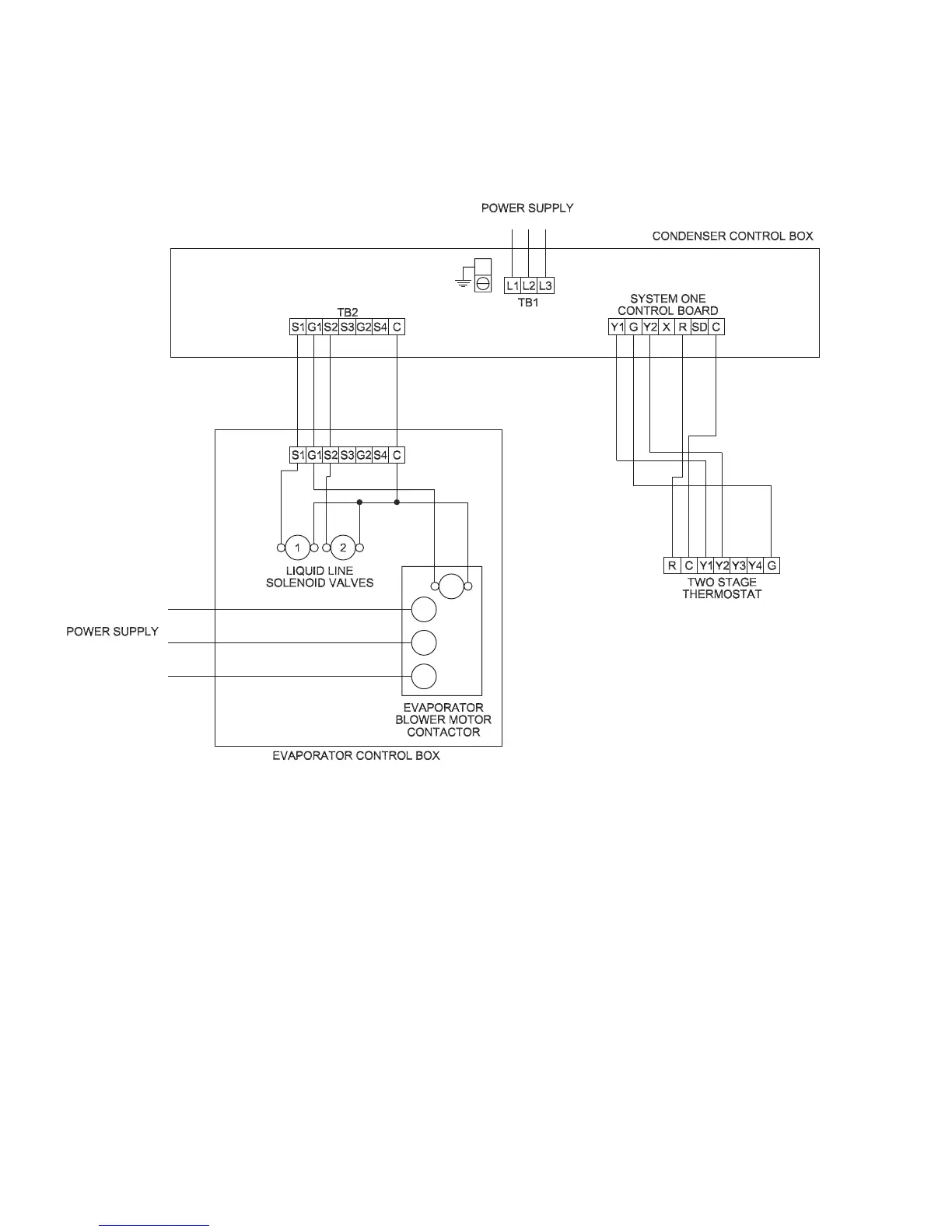
FIGURE 1 - TYPICAL FIELD WIRING FOR HA300 & LA300
380/415-3-50
380/415V-3-50

Related product manuals