EasyManua.ls Logo

York HB600 - Field Wiring for HB360, 480, 600 (Figure 2)

York HB600
24 pages
To Next Page IconTo Next Page
To Next Page IconTo Next Page
To Previous Page IconTo Previous Page
To Previous Page IconTo Previous Page
Loading...
036-21345-001-B-0105
Unitary Products Group 15
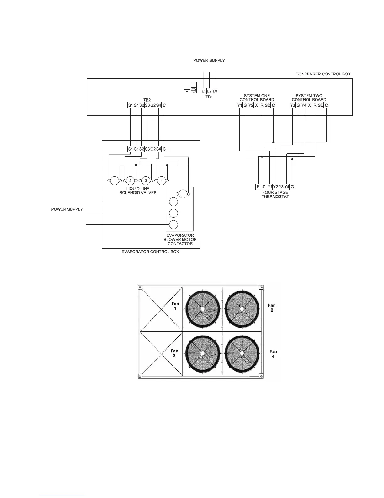
FIGURE 2 - TYPICAL FIELD WIRING FOR HB360, 480, 600 & LB360, 480, 600
380/415-3-50
380/415V-3-50
FIGURE 3 - FAN ORIENTATION CONTROL BOX END

Related product manuals