EasyManua.ls Logo

York YLAA0136 - FIGURE 21 - Power Options Connection Diagram

York YLAA0136
178 pages
To Next Page IconTo Next Page
To Next Page IconTo Next Page
To Previous Page IconTo Previous Page
To Previous Page IconTo Previous Page
Loading...
JOHNSON CONTROLS
74
FORM 150.72-ICOM6
ISSUE DATE: 12/29/2017
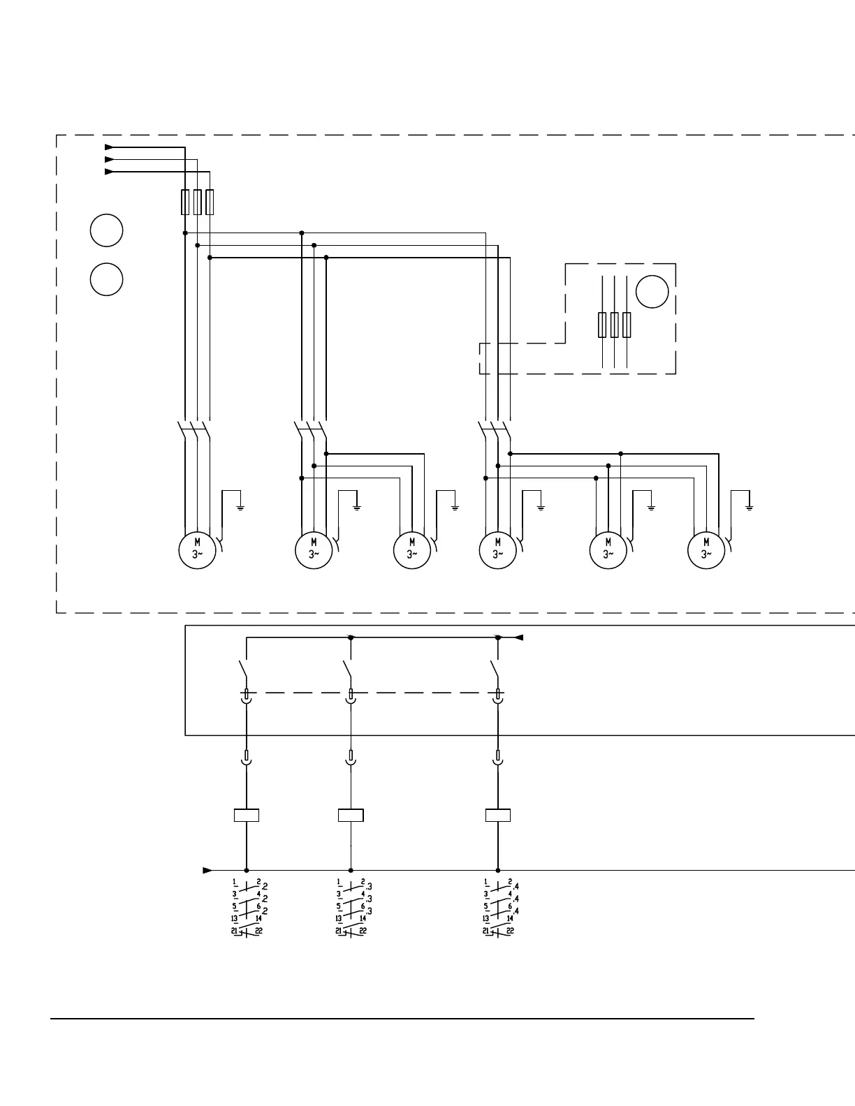
SECTION 5 – TECHNICAL DATA
POWER OPTIONS CONNECTION DIAGRAM
FIGURE 21 - POWER OPTIONS CONNECTION DIAGRAM
035-21589-103 REV C
LD13234C
PE
PE PE
TRANSFORMER AND TERMINALS
ARE FOUND ON POWER SIDE
OF DIVIDER PANEL
LA
2L1A
2L1B
2L1C
1L1A
B
1L1C 1L2C 1L3C
2L2A
2L2B
2L2C
1L2A
B
2L3A
2L3B
2L3C
1L3A
B
2L1A 2L2A 2L3A
2L1B 2L2B 2L3B
2L1C 2L2C 2L3C
1L1A 1L2A 1L3A
B
B
B
C
CC
1L1C 1L2C 1L3C
A
A
A
BB
B
L3BL2BL1B
A
AA
A A A
1L3C1L1C
1L2C
1L1A
1L2A
1L3A
1L1B
1L2B 1L3B
642
5
31
L1 L2 L3
1L2
1L2
1L3
1L3
1L1
1L1
1L1
1L1
1L3
1L3
1L2
1L2
L3L1 L2
-QSD
1L3
1L1 1L2
-QSD
140C
B
R
-T3
2
R
R
R2
B
B
B2
642
5
31

Table of Contents

Related product manuals