EasyManua.ls Logo

Zebra Stripe - Page 94

Zebra Stripe
119 pages
Print Icon
To Next Page IconTo Next Page
To Next Page IconTo Next Page
To Previous Page IconTo Previous Page
To Previous Page IconTo Previous Page
Loading...
44114
44185M
44075
44076
44076-0
44076-1
44076-2
44076-3
44444
44070-0
44070-2
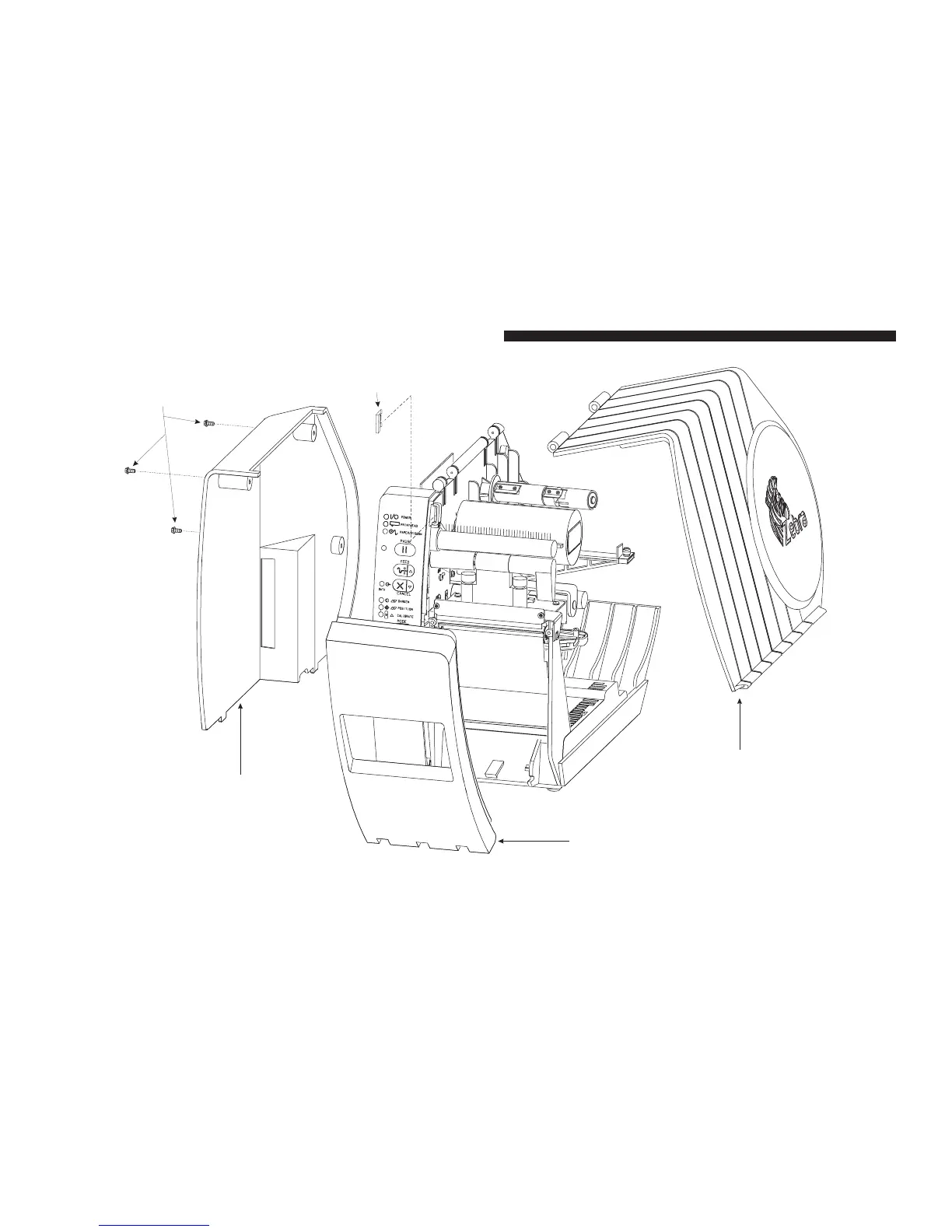
Cover Assemblies
Drawings and Parts Lists Stripe Maintenance Manual: Volume 1
44868L Page 7-3

Related product manuals