EasyManua.ls Logo

Zephyr AK9358BS - Schéma de Câblage

Zephyr AK9358BS
64 pages
Print Icon
To Next Page IconTo Next Page
To Next Page IconTo Next Page
To Previous Page IconTo Previous Page
To Previous Page IconTo Previous Page
Loading...
27
Monsoon II Guide d’utilisation, d’entretien et d’installation
ZEPHYRONLINE.COM
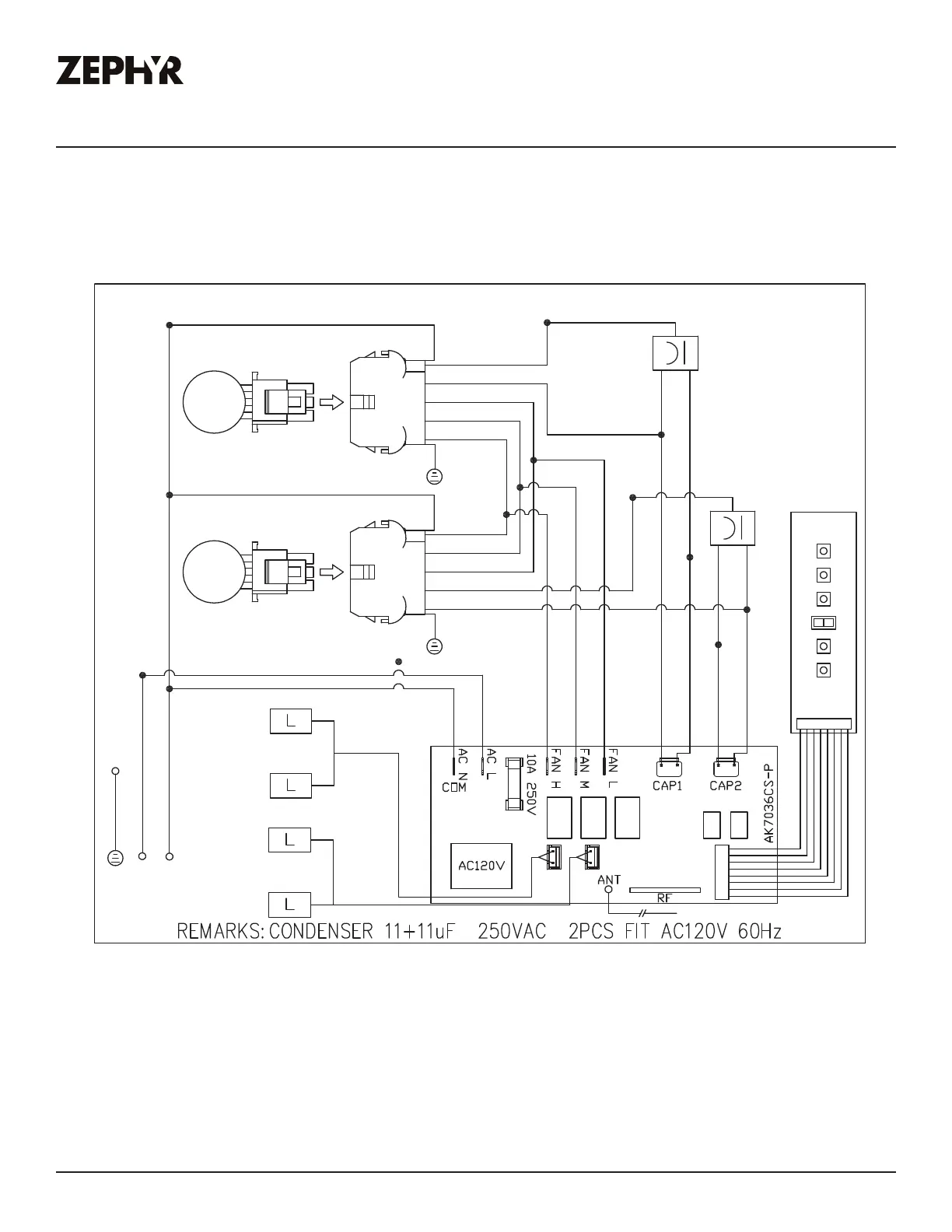
Schéma de câblage
AK9334BS, AK9340BS, AK9346BS, AK9352BS, AK9358BS SCHÉMA
BLANC
ROUGE
JAUNE
GRIS
MARRON
BLEU
VERT
CORPS
BLANC
BLEU
MARRON
GRIS
ROUGE
JAUNE
VERT
CORPS
MOTEUR
MOTEUR
JAUNE
JAUNE
ROUGE
JAUNE
JAUNE
ROUGE
JAUNE
JAUNE
JAUNE
JAUNE
DOUBLE VENTILATEUR EN OPTION
CORPS
VERT
NOIR
BLANC
TRANSFORMATEUR
GRIS
MARRON
BLEU
BLANC
B/W
ACT 590 CFM - Ventilateur Max. 556W à 4,6A
ACT 390 CFM - Ventilateur Max. 381 W à 3,4 A

Related product manuals