EasyManua.ls Logo

Zepro T60 - Radio Control Wiring Diagram

Default Icon
16 pages
Print Icon
To Next Page IconTo Next Page
To Next Page IconTo Next Page
To Previous Page IconTo Previous Page
To Previous Page IconTo Previous Page
Loading...
9
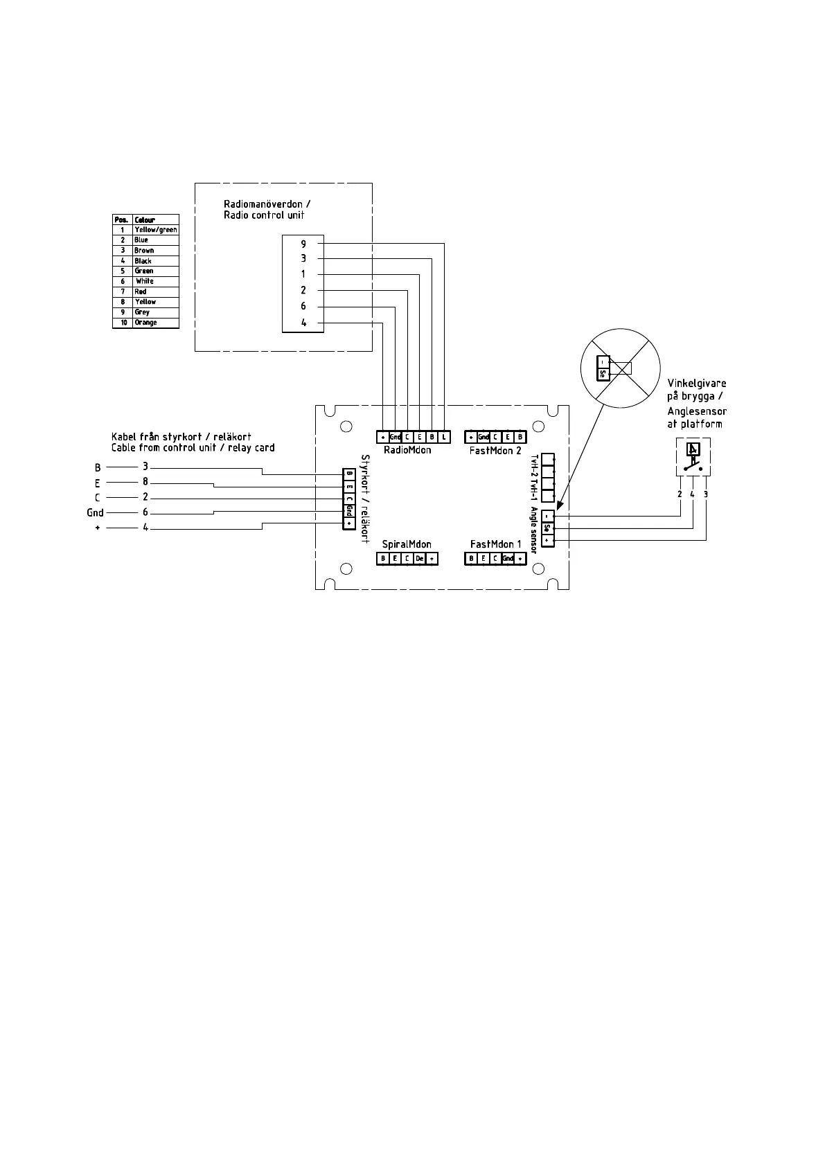
OBS! Bygel på kretskort ska tas bort
innan vinkelgivare monteras
NOTE! The circuit card jumper must be
removed before angle sensor is installed
Connection on a lift with connection card (Order. no. 55027TL), radio only
5. Electric- and hydraulic diagram