EasyManua.ls Logo

ZF 63 A - Page 42

ZF 63 A
100 pages
Print Icon
To Next Page IconTo Next Page
To Next Page IconTo Next Page
To Previous Page IconTo Previous Page
To Previous Page IconTo Previous Page
Loading...
ZF 63 A
40
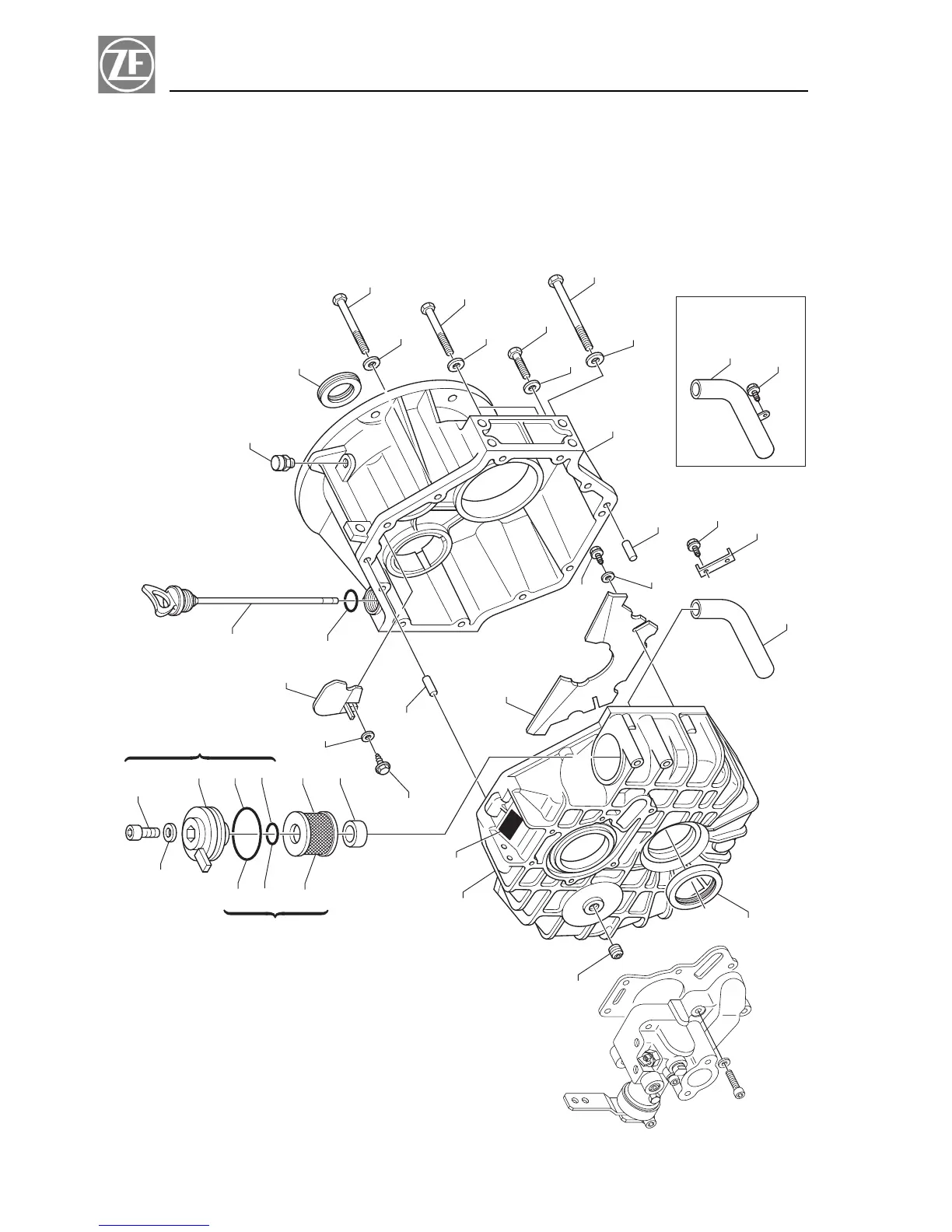
Repair Manual and Spare Parts List ZF 63 A FIG. 1
1
2
3
4
5
6
7
10
17
19
25
23
24
26
25
19
13
14
15
11
22
21
27
20
18
16
12
30
32
35
33
25
29
25
28
31
34
8
9
36
16
18
38
37
NEW VERSION

Table of Contents

Related product manuals