EasyManua.ls Logo

ZF 63 A - Old Electric Selector Valve with Proportional Valves

ZF 63 A
100 pages
Print Icon
To Next Page IconTo Next Page
To Next Page IconTo Next Page
To Previous Page IconTo Previous Page
To Previous Page IconTo Previous Page
Loading...
ZF 63 A - ZF 63 - ZF 80 A - ZF 80-1 A
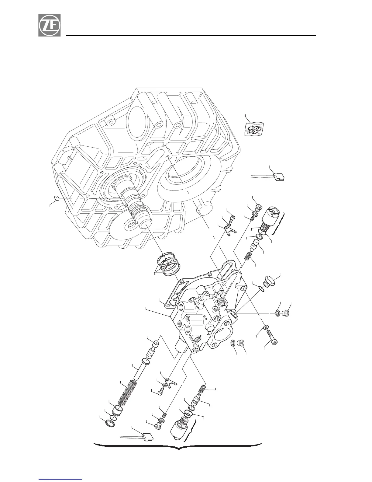
OLD ELECTRIC SELECTOR VALVE WITH PROPORTIONAL VALVES
58
Repair Manual and Spare Parts List ZF 63 A - ZF 63 - ZF 80 A - ZF 80-1 A FIG. 4
3
4
5
6
7
8
9
10
11
12
13
14
15
18
19
20
21
16
17
22
23
24
25
26
12
10
12
10
15
14
13
11
12
10
5
6
7
8
9
4
28
27
27
2
29
1

Table of Contents

Related product manuals