EasyManua.ls Logo

Zipro Hulk RS - Schema DI Montaggio

Zipro Hulk RS
Print Icon
To Next Page IconTo Next Page
To Next Page IconTo Next Page
To Previous Page IconTo Previous Page
To Previous Page IconTo Previous Page
Loading...
132
IT
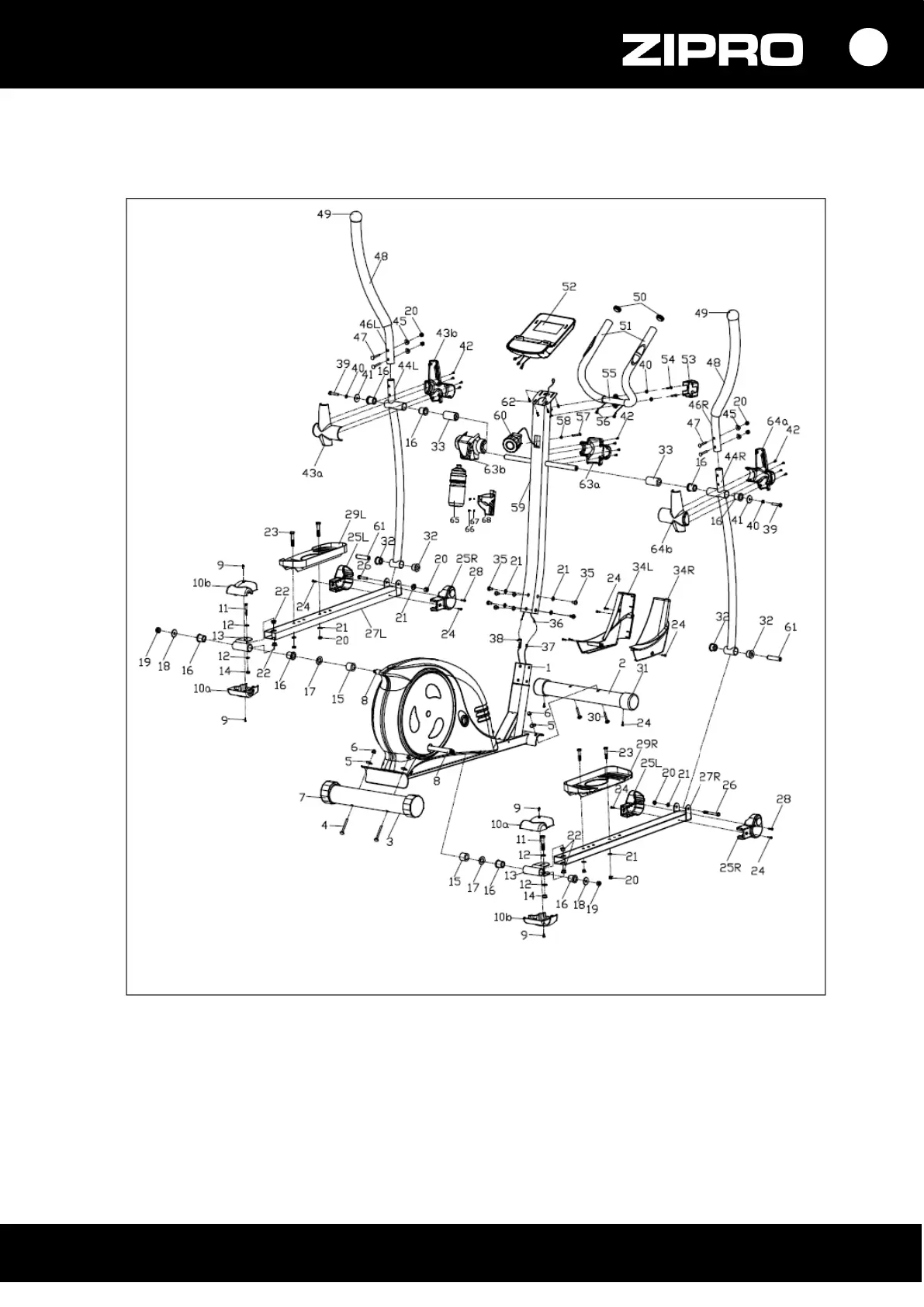
SCHEMA DI MONTAGGIO
ATTENZIONE! È vietato utilizzare le parti provenienti da fonti diverse dal produttore.

Table of Contents

Related product manuals