EasyManua.ls Logo

Zipro Hulk RS - Page 35

Zipro Hulk RS
Print Icon
To Next Page IconTo Next Page
To Next Page IconTo Next Page
To Previous Page IconTo Previous Page
To Previous Page IconTo Previous Page
Loading...
35
DE
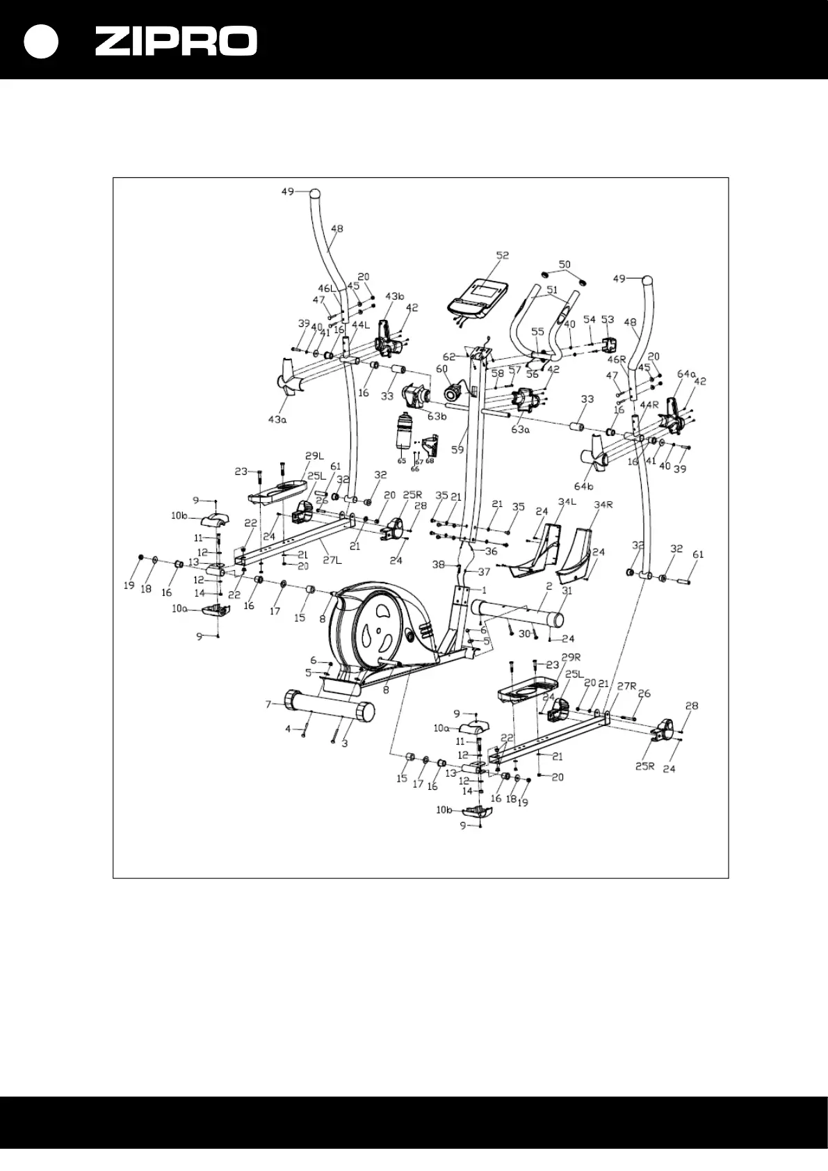
MONTAGESCHEMA
ACHTUNG! Es ist verboten, Teile zu verwenden, die aus anderen Quellen als vom Hersteller stammen.

Table of Contents

Related product manuals