EasyManua.ls Logo

3MINDWAVE APEX REBELS MOTION - Pneumatic Valve Assembly

3MINDWAVE APEX REBELS MOTION
169 pages
Print Icon
To Next Page IconTo Next Page
To Next Page IconTo Next Page
To Previous Page IconTo Previous Page
To Previous Page IconTo Previous Page
Loading...
Page 129
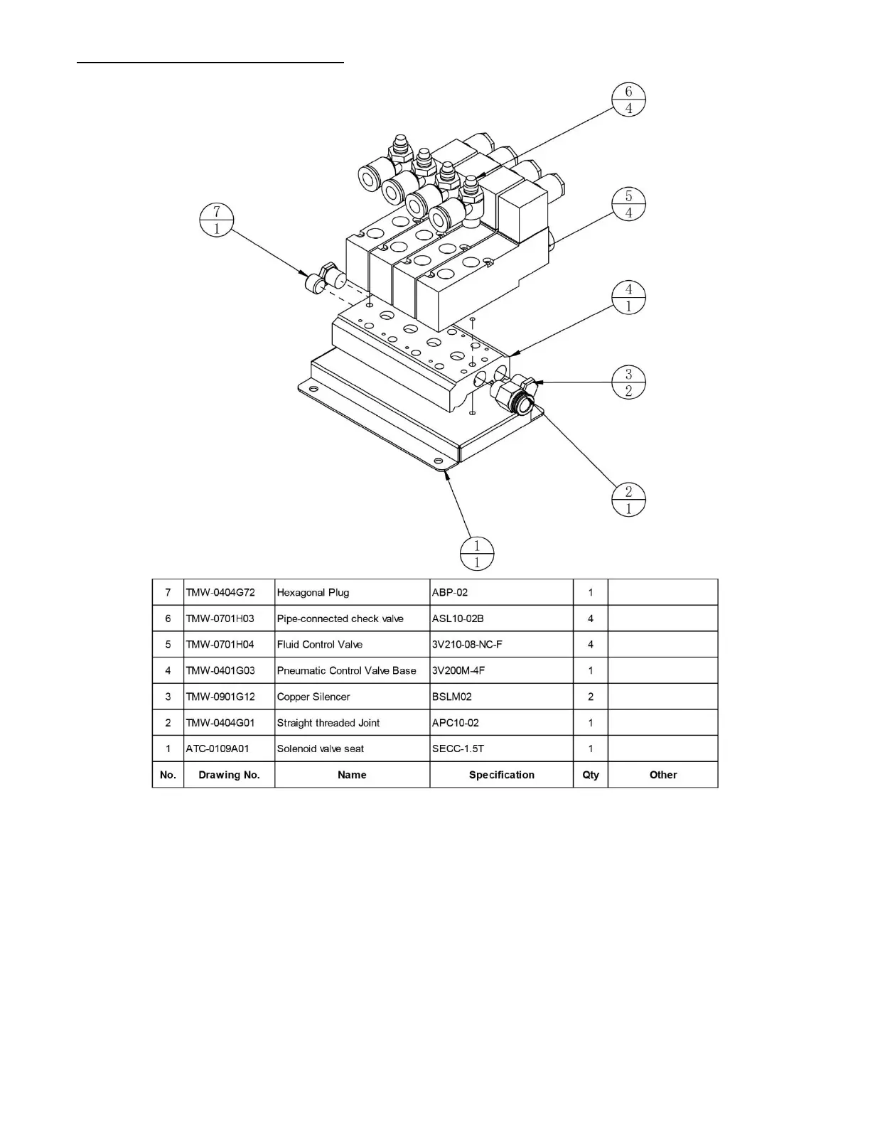
7.3.9 Pneumatic Valve Assembly

Table of Contents