EasyManua.ls Logo

A.O. Smith FPSH - Vent System Installation

A.O. Smith FPSH
18 pages
Print Icon
To Next Page IconTo Next Page
To Next Page IconTo Next Page
To Previous Page IconTo Previous Page
To Previous Page IconTo Previous Page
Loading...
8
THIS UNIT IS MANUFACTURED WITH AN EXTERNAL
CONTROL HARNESS FOR EASIER REPLACEMENT IF THE
HARNESS OR CONNECTORS GET DAMAGED.
6. Do not plug in power cord until vent system is completely
installed. The Power Vent operates on 110-120 Vac, therefore
a grounded outlet must be within reach of the six (6) foot flexible
power cord supplied with the unit (see fig. 1). The power cord
supplied may be used only where local codes permit. If local
codes do not permit the use of a flexible power supply cord:
a.)Make sure the unit is unplugged from wall outlet. Remove
screw and open access panel on side of control box.
b.) Cut the flexible power cord, leaving enough to be able
to make connections, then remove the strain relief fitting
from box.
c.) Install suitable conduit fitting in top of enclosure and
then follow (D) and (E) below.
d.) Splice field wiring into existing wiring using code authorized
method (wire nuts, etc.).
e.) Be certain that neutral and line connections are not reversed
when making these connections.
f.) Close panel on the side of control box, make sure that access
panel issecured shut.
CAUTION
LABEL ALL WIRES PRIOR TO DISCONNECTION WHEN
SERVICING CONTROLS. WIRING ERRORS CAN CAUSE
IMPROPER AND DANGEROUS OPERATION. VERIFY PROPER
OPERATION AFTER SERVICING.
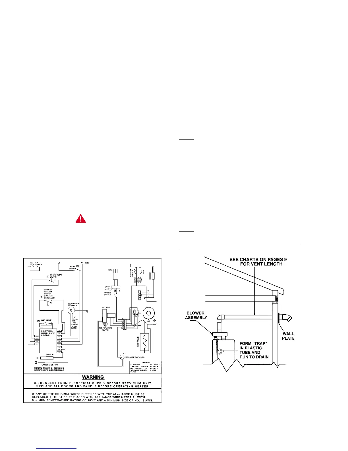
FIGURE 6
INSTALLATION OF VENT SYSTEM
(Refer to Figures 3, 4, 5,7 and 8 as guides).
1. Plan the route of the vent system from the discharge of the
blower to the planned location of the vent terminal. Layout the
total vent system to use minimum of vent pipe and elbows.
2. Refer to charts on page 9, for instructions for total vent length,
for both two (2) and three (3) inch vent pipe. See information
below on what types of material can be used for pipe and
fittings. Note: Use only vent terminal supplied with unit!
3. See the instructions on pages 11 and 12 for the proper method
of cutting and cementing the PVC pipe and fittings.
4. A 2” elbow or coupling should be mounted to the discharge or
the blower and secured with silicone sealant.
NOTE: This unit can be vented using only PVC (Class
160,ASTM D-2241; Schedule 40,ASTM D-1785; or Cellular
Core Schedule 40 DWV,ASTM F-891), Schedule 40
CPVC(ASTM F-441), or ABS(ASTM D-2661) pipe. The fittings,
other than the TERMINATION, should be equivalent to PVC-
DWV fittings meeting ASTM D-2665 (Use CPVC fittings, ASTM
F-438 for CPVC pipe and ABS fittings, ASTM D-2661/3311 for
ABS pipe. If CPVC or ABS pipe and fittings are used, then the
proper cement must be used for all joints, including joining the
pipe to the Termination Tee (PVC Material).
PVC Materials should use ASTM D-2564 Grade Cement;
CPVC Materials should use ASTM F-493 Grade Cement and;
ABS Materials should use ASTM D-2235 Grade Cement.
NOTE: For Water Heaters in locations with high ambient
temperatures (above 100°F) and/or insufficient dilution air, it
is recommended that CPVC or ABS pipe and fittings (MUST
USE SUPPLIED VENT TERMINAL) be used.
FIGURE 7
5. The temperature of the flue gases leaving the blower is about
140°F to 175°F after mixing with the dilution air in the inlet
adapter of the blower. Even with a high concentration of room
air taken into the vent system for dilution air, there will be some
installations where condensate will be formed in the horizontal
or vertical run of pipe. Any of this condensate that runs back
into the blower housing must be drained out of the blower

Related product manuals