EasyManua.ls Logo

AAON Auto-Zone 2 GPC-XP - Input Wiring

AAON Auto-Zone 2 GPC-XP
40 pages
Print Icon
To Next Page IconTo Next Page
To Next Page IconTo Next Page
To Previous Page IconTo Previous Page
To Previous Page IconTo Previous Page
Loading...
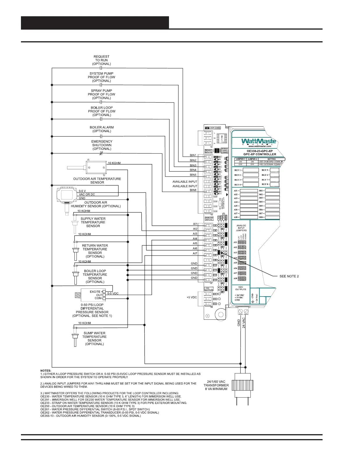
Figure 6: Typical Water Source Heat Pump Loop Controller Input Wiring using GPC-XP
Input Wiring
Wiring
12
WSHP Loop Controller GPC-XP Guide