EasyManua.ls Logo

ABB ACH550 - Page 40

ABB ACH550
42 pages
Print Icon
To Next Page IconTo Next Page
To Next Page IconTo Next Page
To Previous Page IconTo Previous Page
To Previous Page IconTo Previous Page
Loading...
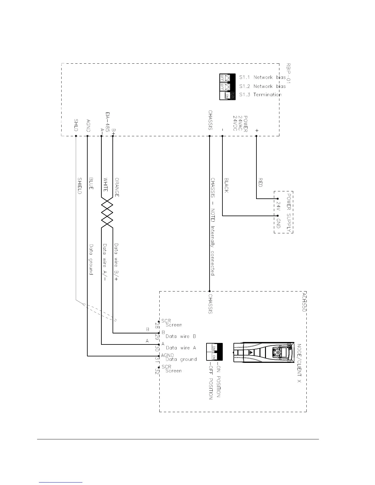
Connection examples
40

Other manuals for ABB ACH550

Related product manuals