EasyManua.ls Logo

ABB ACS 607 - Page 29

ABB ACS 607
82 pages
Print Icon
To Next Page IconTo Next Page
To Next Page IconTo Next Page
To Previous Page IconTo Previous Page
To Previous Page IconTo Previous Page
Loading...
Chapter 3 – Electrical Installation
ACS/ACC/ACP 604/607 Drives ACx=ACS/ACC/ACP 3-7
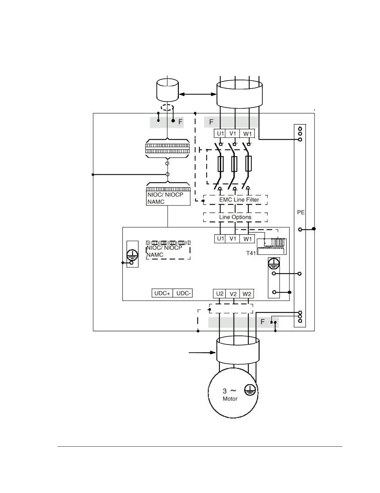
Figure 3-1 A view of the recommended wiring configuration.
T1
T2
T3
dv/dt Filter
ACx 604 AC Drive Module
ACx 607
AC Drive
L1 L2 L3 Gnd
Control Cables
Metallic
Conduit
Metallic
Conduit
In ACx 604 units, the NIOC/NIOCP board
is located inside the drive module
X2 or 2TB
Optional terminal block

Table of Contents

Related product manuals