EasyManua.ls Logo

ABB ACS880-04XT - Page 72

ABB ACS880-04XT
664 pages
To Next Page IconTo Next Page
To Next Page IconTo Next Page
To Previous Page IconTo Previous Page
To Previous Page IconTo Previous Page
Loading...
72 Program features
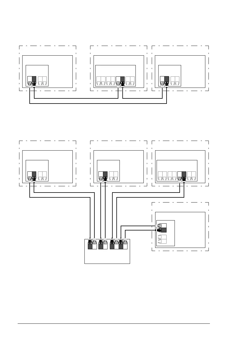
Ring configuration with fiber optic cables
T = Transmitter; R = Receiver
Follower 2
(ZCU) Control unit
FDCO
RT
Follower 1
(BCU) Control unit
RDCO
RT
CH2
Master
(ZCU) Control unit
FDCO
RT
Follower 3
(ZCU) Control unit
FDCO
Follower 1
Star configuration with fiber optic cables (1)
T = Transmitter
R=Receiver
NDBU
MSTR CH0 CH1 CH2
R T R T R T R T
RT
(ZCU) Control unit
Follower 2
(BCU) Control unit
RDCO
RT
CH2
FDCO
RT
Master
(ZCU) Control unit
FDCO
RT

Table of Contents

Other manuals for ABB ACS880-04XT

Related product manuals