EasyManua.ls Logo

ABB AV2 - Page 87

ABB AV2
126 pages
Print Icon
To Next Page IconTo Next Page
To Next Page IconTo Next Page
To Previous Page IconTo Previous Page
To Previous Page IconTo Previous Page
Loading...
SUPPORT SERVICES
ADDITIONAL SPARE PARTS
9 - 17
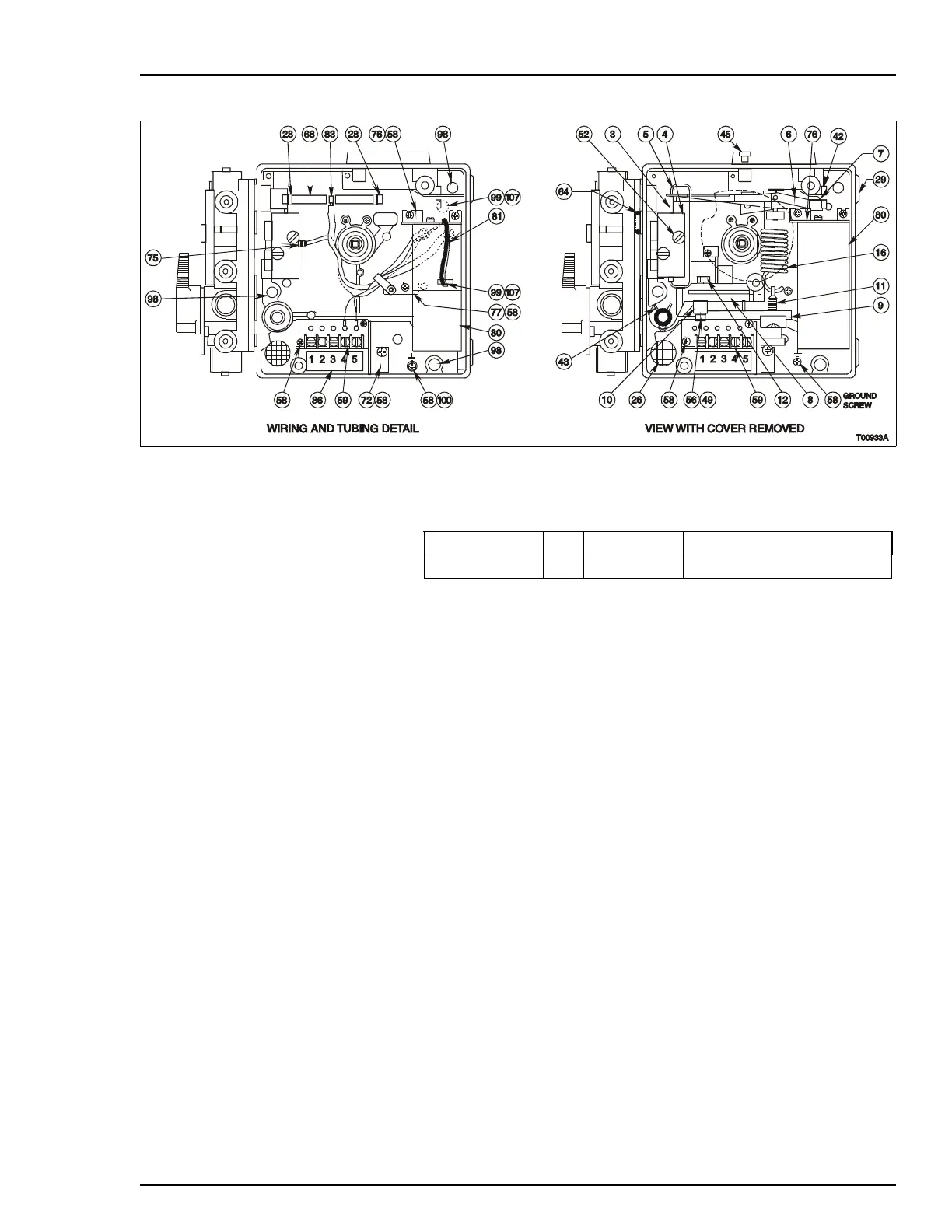
Figure 9-5. Type AV2 Positioner (Page 2 of 2)
Table 9-34. Conversion Kits
Part No. Qty Application Description
258651_1 1 AV23 I/P Conversion Kit
1
NOTE:
1. Replaces older I/Ps that required an internal 22 psi pressure pre-regulator.

Table of Contents

Other manuals for ABB AV2

Related product manuals