EasyManua.ls Logo

ABB ETP - Page 30

ABB ETP
32 pages
Print Icon
To Next Page IconTo Next Page
To Next Page IconTo Next Page
To Previous Page IconTo Previous Page
To Previous Page IconTo Previous Page
Loading...
30
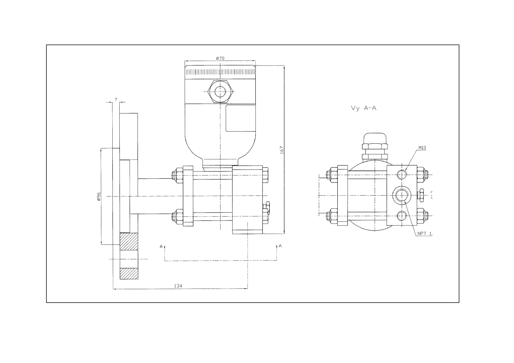
Differenstryckstransmitter fläns 50mm/2” (anslutning N)
Differential pressure transmitter flange 50mm/2” (connection N)

Related product manuals