EasyManua.ls Logo

ABB ETP90A - Page 28

ABB ETP90A
32 pages
Print Icon
To Next Page IconTo Next Page
To Next Page IconTo Next Page
To Previous Page IconTo Previous Page
To Previous Page IconTo Previous Page
Loading...
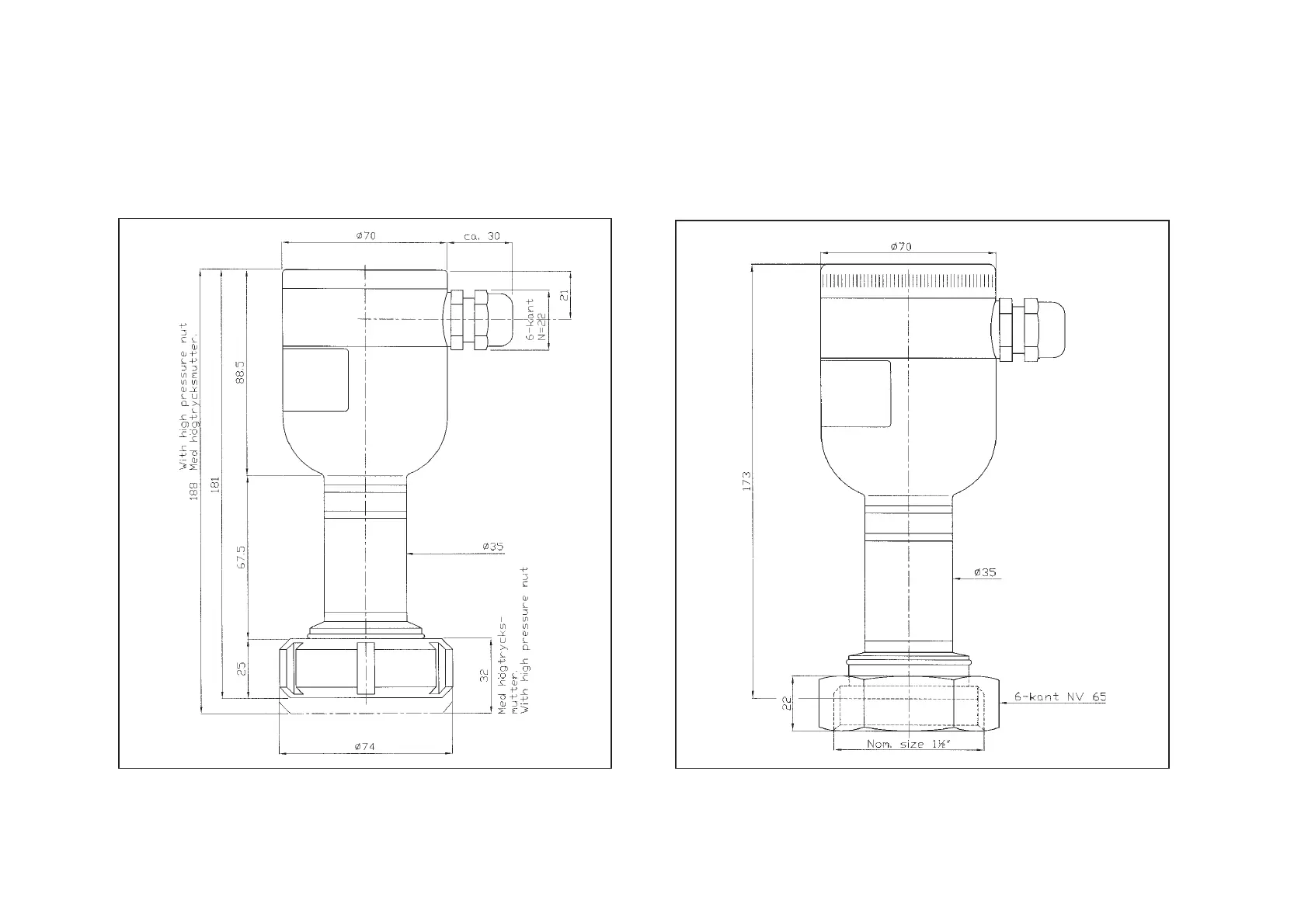
Hygienisk mutter 11/2” RJT (anslutning C)
Screwed connection 11/2” RJT (connection C)
Hygienisk mutter Rd 60-6 SMS1146 (anslutning 8)
Screwed connection to SMS Rd 60-6 (connection 8)
28

Related product manuals