EasyManua.ls Logo

ABB ETP90A - Page 29

ABB ETP90A
32 pages
Print Icon
To Next Page IconTo Next Page
To Next Page IconTo Next Page
To Previous Page IconTo Previous Page
To Previous Page IconTo Previous Page
Loading...
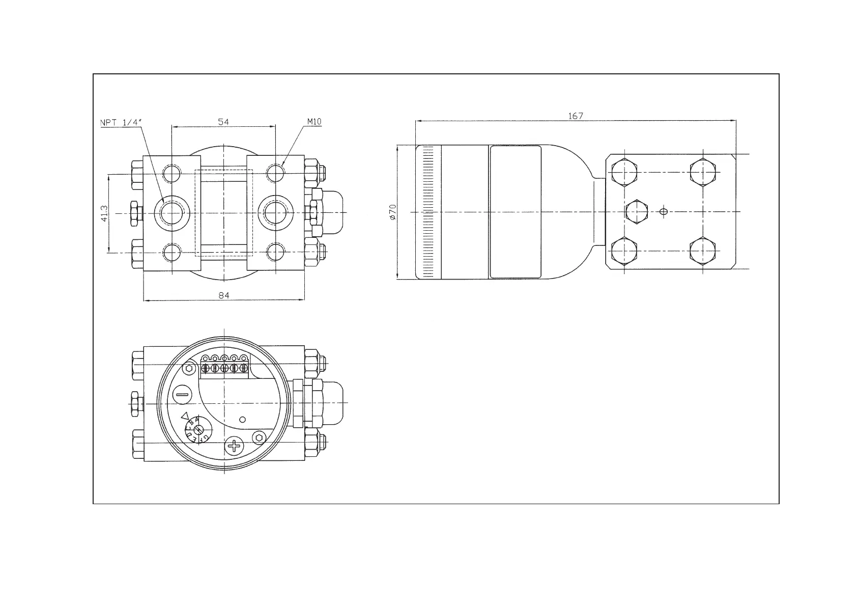
Differenstryckstransmitter NPT 1/2” (anslutning G)
Differential pressure transmitter NPT 1/2” (connection G)
29

Related product manuals