EasyManua.ls Logo

ABB ETP90A - Page 30

ABB ETP90A
32 pages
Print Icon
To Next Page IconTo Next Page
To Next Page IconTo Next Page
To Previous Page IconTo Previous Page
To Previous Page IconTo Previous Page
Loading...
30
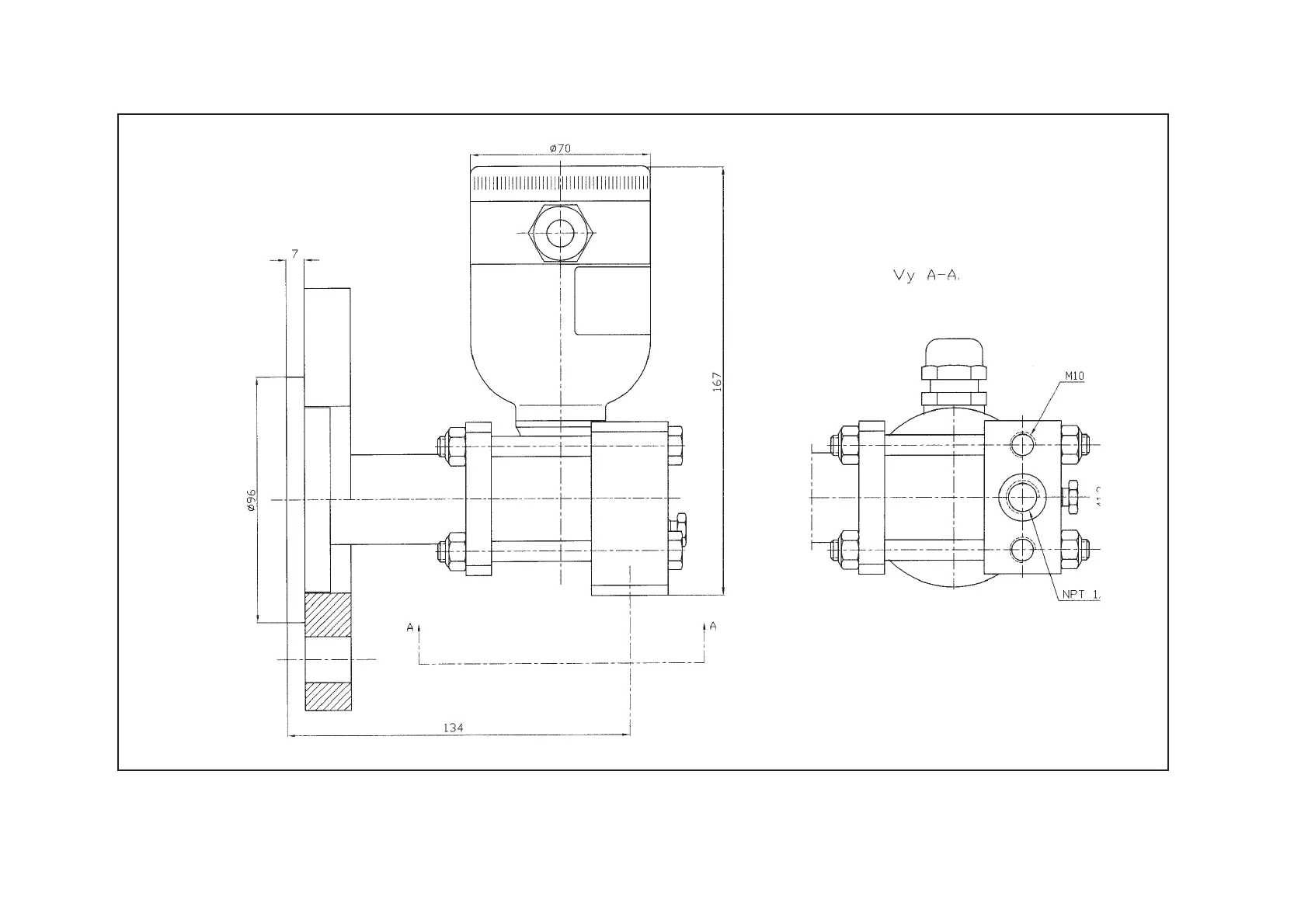
Differenstryckstransmitter fläns 50mm/2” (anslutning N)
Differential pressure transmitter flange 50mm/2” (connection N)

Related product manuals