EasyManua.ls Logo

ABB ETP90H - Page 26

ABB ETP90H
32 pages
Print Icon
To Next Page IconTo Next Page
To Next Page IconTo Next Page
To Previous Page IconTo Previous Page
To Previous Page IconTo Previous Page
Loading...
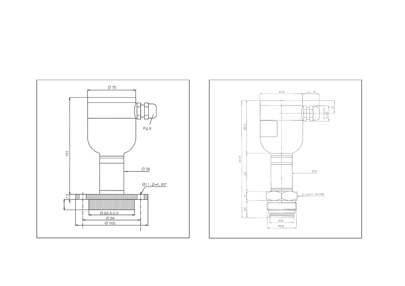
R 11/2” utvändig gänga, framskjutet membran (anslutning 3)
R 11/2” external, extended diaphragm (connection 3)
DRD anslutning (anslutning D)
Flange connection for level measurement (DRD) (connection D)
26

Related product manuals