EasyManua.ls Logo

ABB Excount II - 8.2 Device Dimensions

ABB Excount II
80 pages
Print Icon
To Next Page IconTo Next Page
To Next Page IconTo Next Page
To Previous Page IconTo Previous Page
To Previous Page IconTo Previous Page
Loading...
68
1HSA 801 080-15en EXCOUNT-II Users Manual
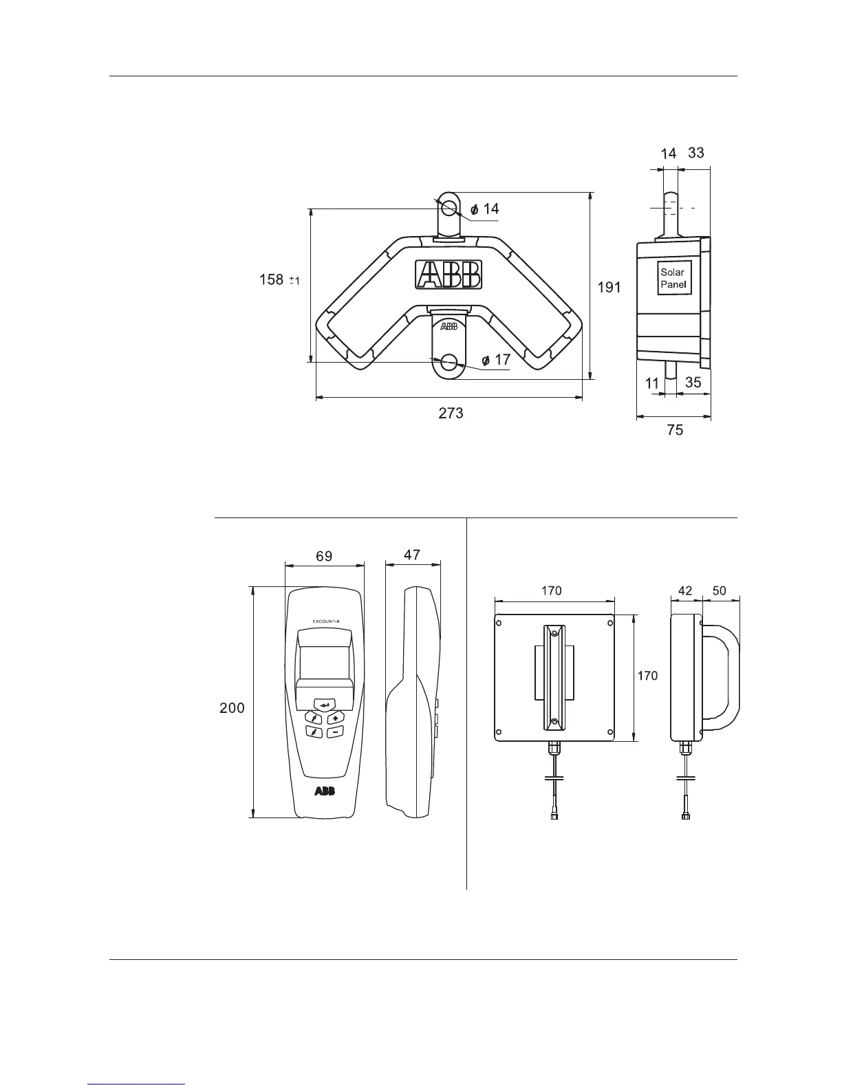
8. Technical data
EXCOUNT-II
ID. No: XXXXXXXX
Cat. No:
1HSA44X XXX-X
Made in Sweden
Figure 8.2.1
Sensor
Figure 8.2.3
External antenna
8.2 Dimensions
Figure 8.2.2
Sensor