EasyManua.ls Logo

ABB LMT200 - Page 77

ABB LMT200
84 pages
Print Icon
To Next Page IconTo Next Page
To Next Page IconTo Next Page
To Previous Page IconTo Previous Page
To Previous Page IconTo Previous Page
Loading...
77
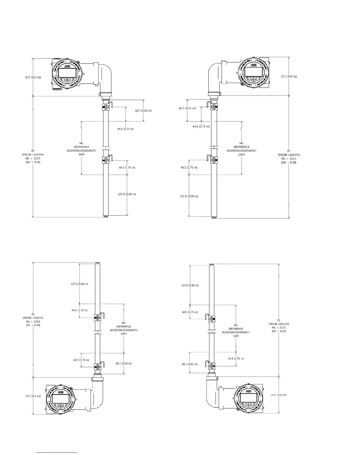
LMT SERIES | MAGNETOSTRICTIVE LEVEL TRANSMITTER | OI/LMT100/200-EN REV.B
LMT200 Probe Type R1, R2 & R3 - Top Mount

LMT200 Probe Type R1, R2 & R3 - Bottom Mount


Table of Contents

Other manuals for ABB LMT200

Related product manuals