EasyManua.ls Logo

ABB LMT200 - Page 78

ABB LMT200
84 pages
Print Icon
To Next Page IconTo Next Page
To Next Page IconTo Next Page
To Previous Page IconTo Previous Page
To Previous Page IconTo Previous Page
Loading...
78
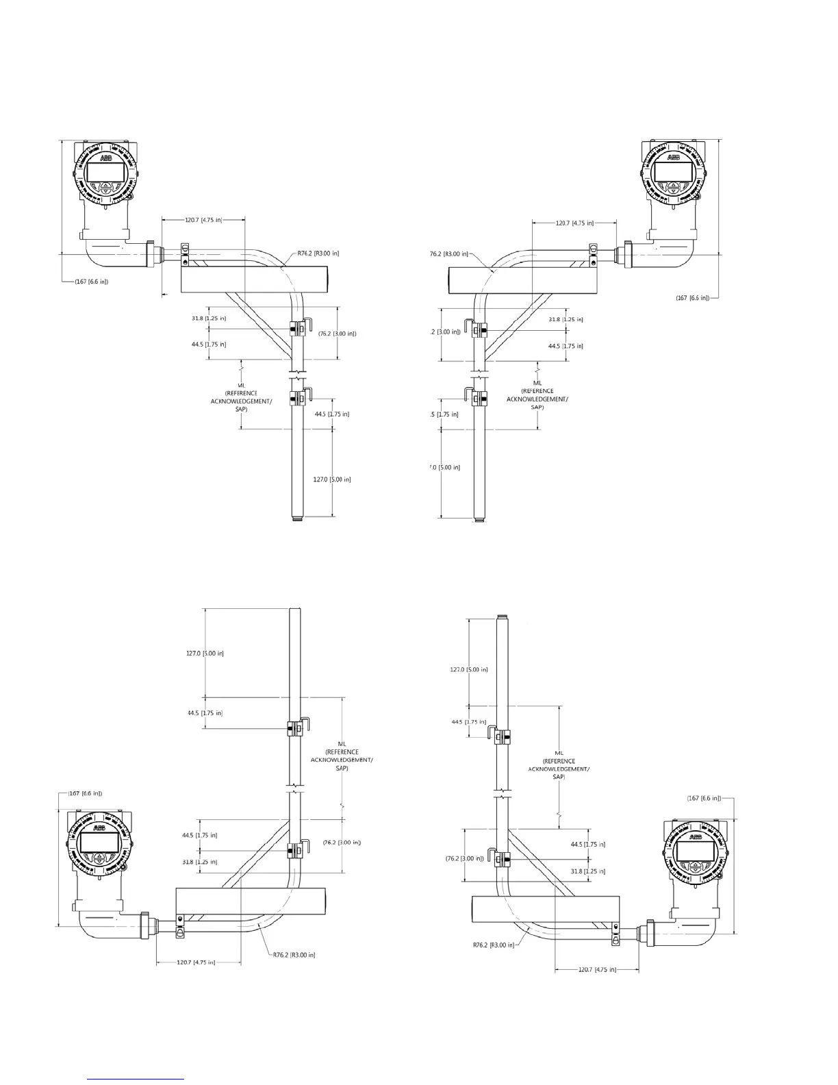
LMT SERIES | MAGNETOSTRICTIVE LEVEL TRANSMITTER | OI/LMT100/200-EN REV.B
LMT200 SEH 90 degree bend housing extension - Top Mount

LMT200 SEH 90 degree bend housing extension - Bottom Mount


Table of Contents

Other manuals for ABB LMT200

Related product manuals