EasyManua.ls Logo

ABB MMCO-2 - Page 28

ABB MMCO-2
42 pages
Print Icon
To Next Page IconTo Next Page
To Next Page IconTo Next Page
To Previous Page IconTo Previous Page
To Previous Page IconTo Previous Page
Loading...
R
B
C
51
'
.
r
ff
Jl
51
51
,
|
£
-
*
1
51
51
51
POS
o
li
4
OTHER
DEVICES
>
/
B
©
51
KEYBORRD
l
i
6
si
N
ie
&
or
;
\
i
^
xo
2
\
7
PUSHBUTTONS
s
'
±
TD
±
INST
+
2
IV
>
/
J
52
REAL
TIME
CLOCK
POWER
SUPPLY
\
N
/
>
/
DISPLAY
/
v
Vl
+
5
V
>
OR
7
I
51
SI
l
-
A
6
6
7
s
+
n
7
0
\
/
j
.
OPTION
2
OR
3
INST
.
LOCKOUT
(
IF
USED
)
MUX
I
\
/
OC
51
&
0
6
i
\
7
1
RC
/
DC
A
/
D
RY
MONITOR
&
±
520
0
t
RANGING
MICRO
-
COMPUTER
I
OB
TRIP
-
TEST
*
TRIP
I
0
-
O
O
+
_
_
\
n
n
-
4
-
CPTICN
B
C
G
1
N
I
/
R
)
1
DERD
-
MRN
CIRCUIT
/
/ \
ALTERNATE
R
POS
X
REMOTE
T
RESET
LA
COMMUNICATIONS
OPTION
7
51
IS
-
o
-
X
r
-
O
-
X
OPTO
-
1
ISO
51
20
NEG
REMOTE
RESET
OPTION
ALTERNATE
B
POS
4
GRD
30
CKD
-
10
OR
H
3
)
CKRC
)
^
DIREC DIREC
L
-
O
-
*
OPTO
51
ISO
18
51
19
OPTO
ISO
Q
-
X
51
20
NEG
DIRECTIONAL
OPTION
51
-
TIME
OVERCURRENT
RELAY
MMCO
52
-
CIRCUIT
BREAKER
CM
1609
C
74
Sub
1
CM
-
J
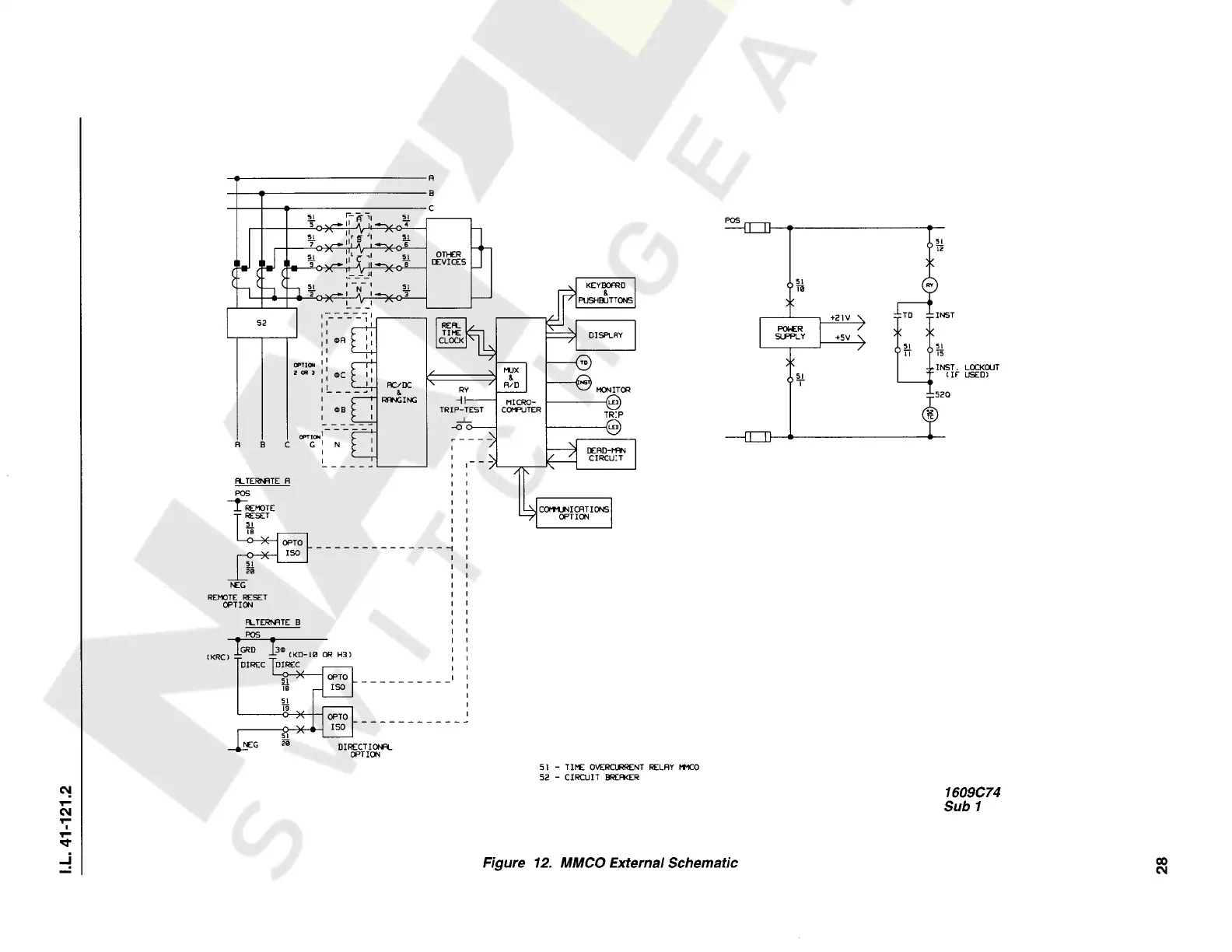
Figure
12
.
MMCO
External
Schematic
co
CM
Courtesy of NationalSwitchgear.com

Related product manuals