EasyManua.ls Logo

ABB MMCO-2 - Page 31

ABB MMCO-2
42 pages
Print Icon
To Next Page IconTo Next Page
To Next Page IconTo Next Page
To Previous Page IconTo Previous Page
To Previous Page IconTo Previous Page
Loading...
I
.
L
.
41
-
121.2
LI
A
]
VBATHI
BATTERY
POS
*
&
/
YY
\
PmH
Ci
4
=
Cl
CI
7
C
2
,
Oluf
.
Oluf
.
luf
12
A
3
VBATLO
-
>
G
>
^
_
_
TY
"
Y
~
\
BATTERY
NEG
2
mH
C
3
3
C
3
;
±
;
C
4
DSDF
04
M
.
Oluf
.
Oluf
BR
1
T
3
3
H
1
R
5
m
ALo
A
9
I
2
>
©
WV
4.75
K
X
-
4
T
~
i
C
5
.
Oluf
*
CI
3
55
C
9
<
n
-
55
P
OA
S
?
z
:
CD
z
.
OPuf
H
2
SF
4
&
X
-
C
3
l
4
Cr
:
AHl
A
13
CRI
03
*
DJIN
53
G
^
*
2
3
G
1
A
?
Wv
RIO
300
C
?
3
5
DF
04
M
BR
2
TP
3
W
3
Nil
R
6
BLa
AIO
2
1
(
s
>
-
\
AAr
-
4
,
?
5
K
X
-
*
4
r
;
CM
PS
ss
CIO
«
r
*
rvi
V
*
'
°
"
5
OB
giz
.
OPuf
W
4
Wl
?
pp
SF
4
©
X
-
*
a
OJ
2
4
C
7
BHi
AM
TJZ
CR
2
*
.
Oluf
-
>
2
3
JB
DSDF
04
M
BR
3
TO
PS
MODULE
3
H
5
R
7
W
13
CLo
All
2
I
TI
(
?
)
WV
-
4.75
K
*
X
-
4
CI
5
SS
PS
CM
x
:
c
*
i
CIO
oc
cn
ID
T
a
sis
Oluf
.
02
uf
h
6
CM
H
14
pp
sr
4
a
>
a
X
-
X
S
2
4
±
L
C
9
CHi
A
15
CR
3
05
»
.
Oluf
DJIN
536
J
*
2
f
3
G
A
4
wv
-
>
V
21
CL
R
1
I
300
C
4
V
5
CL
3
DSDF
04
M
BR
4
T
4
3
N
7
RB
MIS
GLo
AI
2
2
©
WV
4.75
K
X
-
X
-
-
1
-
C
12
*
<
t
SS
PS
CI
6
02
*
u
>
ID
ON
v
v
^
r
o
z
sis
.
Oluf
CM
.
0
2
uf
sr
H
16
pp
4
©
2
A
5
X
-
X
T
o
R
13
2
4
4
g
|
V
|
cs
cn
AW
Toiuf
3.32
K
CIB
-
L
CR
5
.
PPuf
DJIN
534
|
C
?
+
5
VZ
2
*
rH
6.2
V
CGROUND
GHi
AI
6
06
-
>
CR
4
5
V
A
6
*
45
VZ
DJIN
53
G
5
CG
2
I
(
G
.
2
V
)
f
C
19
-
L
+
5
V
36
.
PPuf
A
7
*
Wv
RIP
300
V
A
8
C
8
*
AGROUND
1613
C
91
Sub
1
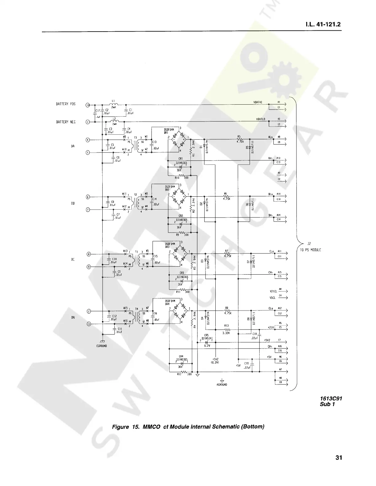
Figure
15
.
MMCO
ct
Module
Internal
Schematic
(
Bottom
)
31
Courtesy of NationalSwitchgear.com

Related product manuals