EasyManua.ls Logo

ABB MMCO-2 - Page 39

ABB MMCO-2
42 pages
Print Icon
To Next Page IconTo Next Page
To Next Page IconTo Next Page
To Previous Page IconTo Previous Page
To Previous Page IconTo Previous Page
Loading...
3.3
K
+
21
V
A
1
I X
RSI
1
Cl
+
21
V
100
PPN
/
C
1
7
<
f
)
ALARMLO
A
3
-
©
-
-
tl
-
©
*
^
CG
r
+
3
I
^
C
12
^
Cll
.
01
uf
47
uf
+
5
V
<
K
5
41
lOOOpf
A
5
8
6
2
7
5
3
il
-
I
4
1
15
OoHm
|
DGROUND
C
5
24
V
-
si
C
?
+
5
V
|
2
8
9
lOOOpf
M
A
?
E
CLAMPS
-
n
0
)
ANUNCOM
*
1
C
?
ALARM
IB
1
C
-
a
-
-
e
-
2
A
8
3
3
1
2
B
2
C
-
*
-
1
3
CB
ITRIPD
K
4
DJ
1
N
4148
4
1
3
B
3
C
-
a
-
!
150
ohmi
4
A
9
D
1
4
C
8
<
4
B
4
C
-
6
-
24
V
5
C
9
TDTRIPD
0
J
1
N
414
B
^
5
B
5
C
a
-
5
-
l
lOOOpf
16
6
4
i
D
2
AIO
<
F
)
IANUNLO
<
6
B
GC
-
6
-
S
-
a
-
-
ti
-
11
-
7
1
0
INHIBIT
Cl
<
DJ
1
N
4140
7
B
7
C
R
!
2
VvV
01
200
3
I
1
J
3
ULQ
2003
A
K
3
4
I
TO
PS
MODULE
285
ohm
|
12
V
I
T
C
9
I
I
[
*
_
Ju
lOOOpf
15
-
S
3
<
£
)
ITRIP
3
TCP
/
RR
R
3
A
12
CR
3
1
.
OOK
AM
9
RG
*
18
3
Wv
C
12
-
B
-
©
K
2
C
3
-
«
h
4
I
5.6
V
C
2
1
150
ohm
|
T
CR
1
CIO
C
14
R
1
'
i
'
24
V
lOOOpf
R
9
20
V
.
Oluf
.
luf
0.25
K
20
.
OK
|
?
_
_
5
_
)
4
I
-
lOOOpf
13
rti
-
0
TDANUNLO
ULJ
4
N
35
©
n
-
CGROUND
©
-
«
-
-
©
+
5
V
R
8
R
4
RIO
U
2
CR
4
CIG
l
.
OOK
AM
9
R
5
*
8
r
19
/
-
N
-
AD
3
I
20
.
OK
l
LOOM
*
f
MV
©
-
©
K
1
I
l
I
50
ohm
|
5
4
I
lOOOpf
11
5.6
V
<
D
AH
TDTRIP
-
&
-
Cl
T
CR
2
2
-
B
--
H
-
R
2
24
V
lOOOpf
CH
8.25
K
T
20
V
4
=
C
15
lh
.
Oluf
n
-
l
?
_
_
5
_
J
.
luf
TCG
Cl
?
ULJ
4
N
35
2 0
©
©
-
f
1
-
©
-
9
lOOOpf
12
©
TRIPCOM
OPTIONAL
PARTS
FOR
DIRECTIONAL
CONTROL
8
«
REMOTE
RESET
"
lOOOpf
-
SB
-
1
r
-
r
4
CGROUND
J
L
K
6
O
Ai
6
KS
1442
C
62
G
01
Od
ci
6
m
Ol
4
.
L
JJ
CGROUND
O
'
REED
-
n
it
COMP
48
/
125
V
250
V
'
C
13
1.22
uf
5
GK
5
W
R
5
tG
13
K
3
W
1613
C
92
Sub
1
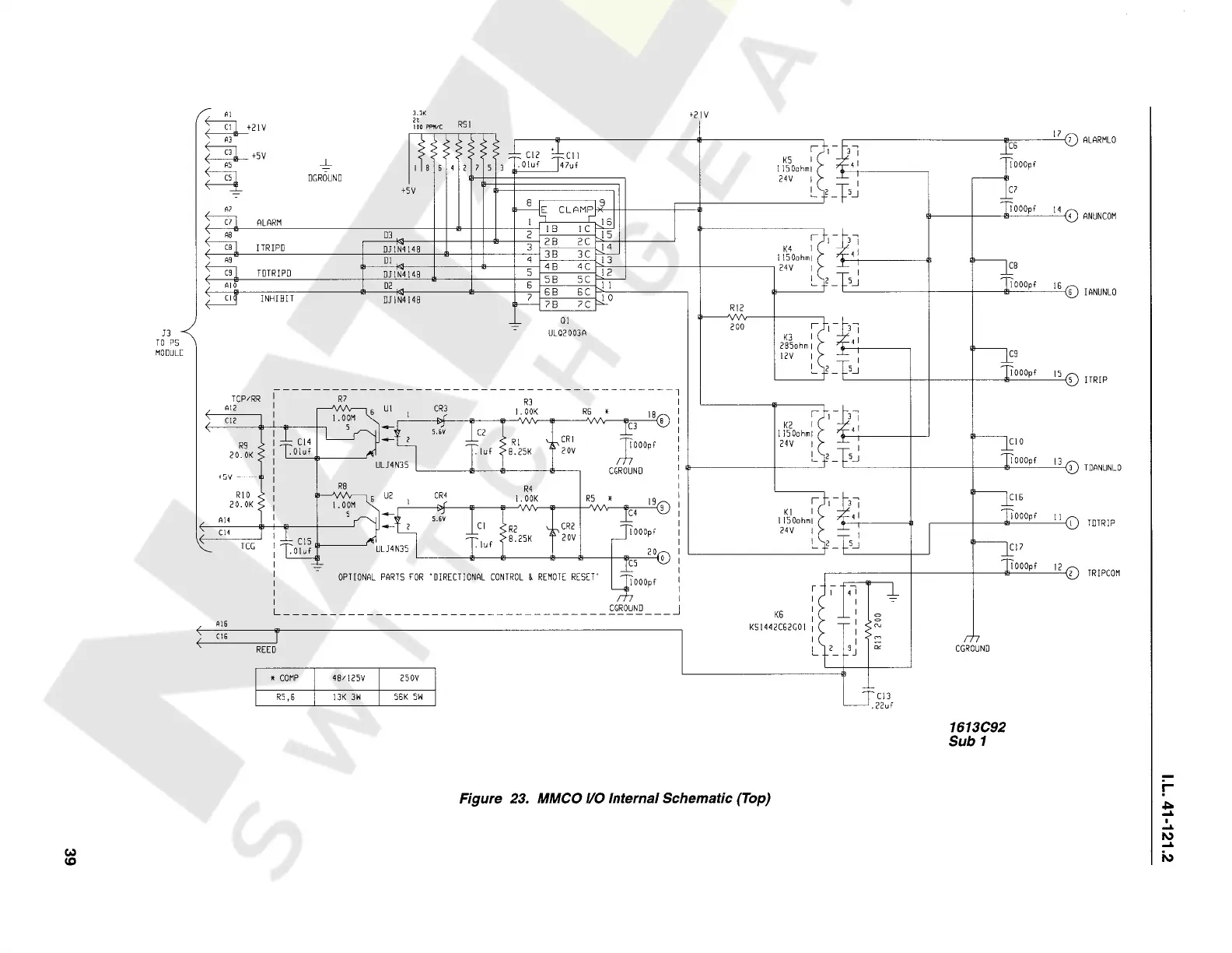
Figure
23
.
MMCO
I
/
O
Internal
Schematic
(
Top
)
&
to
CO
to
<
0
Courtesy of NationalSwitchgear.com

Related product manuals