EasyManua.ls Logo

ABB MMCO-2 - Page 37

ABB MMCO-2
42 pages
Print Icon
To Next Page IconTo Next Page
To Next Page IconTo Next Page
To Previous Page IconTo Previous Page
To Previous Page IconTo Previous Page
Loading...
RSI
I
OK
+
5
V
9
2
3
4
5
B
1 0
7
6
1
2
15
DISPD
3
+
5
V
O
'
4
LD
1
-
{
I
14
DISPD
2
OJ
4
-
n
+
5
V
1
13
DISPD
1
4
vss
-
f
!
Rl
]
2
12
DISPDO
ULSLM
224
CMP
64
4
VDD
5
2
RVI
0
KKGET
3
'
TP
7
3
DISPEN
<
-
4
o
VO
lil
SI
M
?
24
-
4
i
I
OK
1
0
4
10
D
1
SPRS
cm
ci
R
9
-
»
^
3
RWD
R
5
3
e
-
6
5
-
Wv
n
-
ULSLM
224
4
R
/
W
9
.
Oluf
6
51
.
1
4
3
8
MONLED
E
OJ
O
'
4
?
4
R
7
R
0
3
CO
1
7
DBO
3
LM
234
ZS
OJ
+
5
V
a
VW
20
.
OK
Wv
1
38.5
K
U
1
.
1
-
B
-
LE
1
8
2
R
18
U
2
DB
1
©
iJZTTL
Q
2
°
QSVN
3515
L
YEL
-
p
C
3
BLACK
9
+
©
VV
\
El
1.00
K
C
2
.
luf
DB
2
>
TP
1
1 1
-
(
1
-
1
0
ULSLM
224
2
1
2
-
5
V
DGND
11
-
2
.
9
DB
3
.
Oluf
R
4
1
1
14
DB
4
U
1.4
TRIPLED
1
2
-
5
V
2
1
3
DB
5
LE
2
m
OJ
>
1
3
ZXL
n
R
17
©
L
3
cvj
DBG
Wv
1
1.00
K
1
1
4
6
4
Ql
B
7
-
n
RED
0
SVN
3515
L
LM
1
G
255
S
J
4
©
TO
UP
TP
4
+
5
V
7
4
CIO
@
TP
2
_
5
j
2
VAREF
CB
LL
+
2
,
V
C
9
R
52
I
OK
DGROUND
.
22
uf
RED
2
4
?
uf
4
<
i
4
U
4
VAREF
5
9
e
G
|
2
7
3
10
4
1
8
+
5
V
>
BOOST
V
+
C
AP
+
OSC
2
7
U
8
Cll
ili
11
FUNC
SELECT
3
G
3
S
1
O
©
o
vcc
A
-
6
-
GND
LV
1
2
4
5
.
Oluf
B
C
7
CAP
-
VOUT
7
1
3
FUNC
SCROLL
3
10
uf
OR
C
O
S
2
O
fi
R
19
g
-
e
-
14
17
FPDATA
ICL
7
B
60
SIPA
4
QH
D
3
18
FPLOAD
1
+
5
V
4
VAL
RAISE
3
PL
E
16
FPCLK
2
4
O
S
3
O
EI
-
B
-
4
CLK
1
F
CLK
2
G
n
-
-
(
i
1
5 5
4
DGROUND
C
6
*
«
5
VAL
LOWER
©
O
S
4
O
E
!
-
s
-
1
Ouf
G
o
1
0
*
-
5
V
4
SA
H
(
}
8
TPG
GND
2
TRIP
O
S
5
O
EI
-
B
-
MM
74
HCT
1
G
5
il
-
RESET
2
l
OS
6
O
EI
*
EXT
SCROLL
1
2
O
S
?
O
f
i
-
6
-
ENTER
1
-
0
S
8
O
E
i
1613
C
94
Sub
1
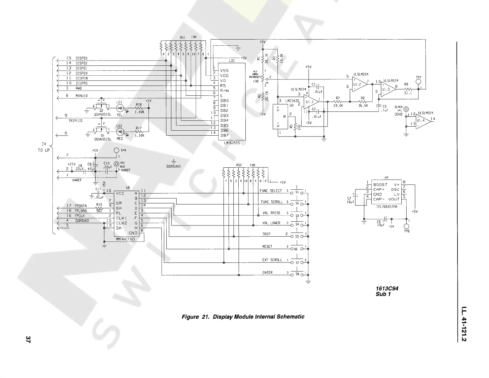
Figure
21
.
Display
Module
internal
Schematic
&
to
CO
to
Nl
Courtesy of NationalSwitchgear.com

Related product manuals