EasyManua.ls Logo

ABB MMCO-2 - Page 41

ABB MMCO-2
42 pages
Print Icon
To Next Page IconTo Next Page
To Next Page IconTo Next Page
To Previous Page IconTo Previous Page
To Previous Page IconTo Previous Page
Loading...
CASE
OUTLINE
1.594
(
40.49
)
-
6.063
(
154.00
)
.
563
(
14.30
)
5.563
(
141.30
)
2.781
(
70.64
)
.
250
DIA
.
(
6.35
)
4
HOLES
FOR
.
190
-
32
MTG
.
SCREWS
n
T
5.219
(
132.56
)
9.688
(
246.08
)
9.063
(
230.20
)
3
-
CASE
I
i
$
\
I
*
"
T
c
:
10.438
(
265.13
)
3
-
4.844
(
123.04
)
4.531
(
115.09
)
LARGE
INTERNAL
AND
EXTERNAL
TOOTH
WASHER
i
V
%
SEMI
-
FLUSH
MTG
.
-
3
.
188
(
80.98
)
.
125
R
(
3.18
)
.
190
-
32
SCREW
SMRLL
EXTERNAL
TOOTH
WASHER
-
2.938
(
74.63
)
5
.
B
75
C
149.23
)
6.375
-
(
161.93
)
PROJECTION
MTG
.
PANEL
PANEL
LOCATIONS
PANEL
DRILLING
OR
CUTOUT
FOR
TERMINAL
AND
MTG
.
DETRILS
PROJECTION
MTG
.
(
FRONT
VIEW
)
FOR
PROJECTION
MTG
.
PANEL
I
CRSE
SPACERS
FOR
THIN
PANELS
5
/
16
-
18
SCREW
(
FOR
THICK
PANELS
USE
5
/
16
-
18
STUDS
)
INTERNAL
-
EXTERNAL
-
ZVC
TOOTH
WASHERS
190
-
32
SCREW
1.813
(
46.05
)
2.0
(
50.8
)
i
\
NOTE
1
.
0
PROJECTION
HARDWRRE
MUST
BE
ORDERED
SEPARATELY
.
.
594
(
15.09
)
.
563
DIH
.
(
25.4
)
2.688
*
(
68.28
)
(
14.29
)
2
HOLES
1.344
(
34
.
14
)
5.375
-
(
136.53
)
FOR
THICK
PANELS
USE
.
190
-
32
STUDS
250
+
.
01
GC
.
397
)
,
-
0
(
6.350
)
^
T
5
?
=
£
11
1.031
(
26.19
)
1.344
(
34.14
)
.
375
R
(
9.53
)
TYP
.
.
594
(
15.09
)
T
1.0
.
641
DIA
.
-
I
(
16.28
)
(
25.4
)
PANEL
T
3
7
5
S
1
1.813
(
46.05
)
2.0
(
50.8
)
i
DIMENSIONS
IN
INCHES
(
DIMENSIONS
IN
MILLIMETERS
)
10
'
2
4
'
1
TERMINAL
NUMBER
.
516
(
13.11
)
.
750
DIA
.
(
19.05
)
20
HOLES
OR
2
CUTOUTS
-
1.031
(
26.39
)
TYP
.
183
A
158
Sub
13
r
~
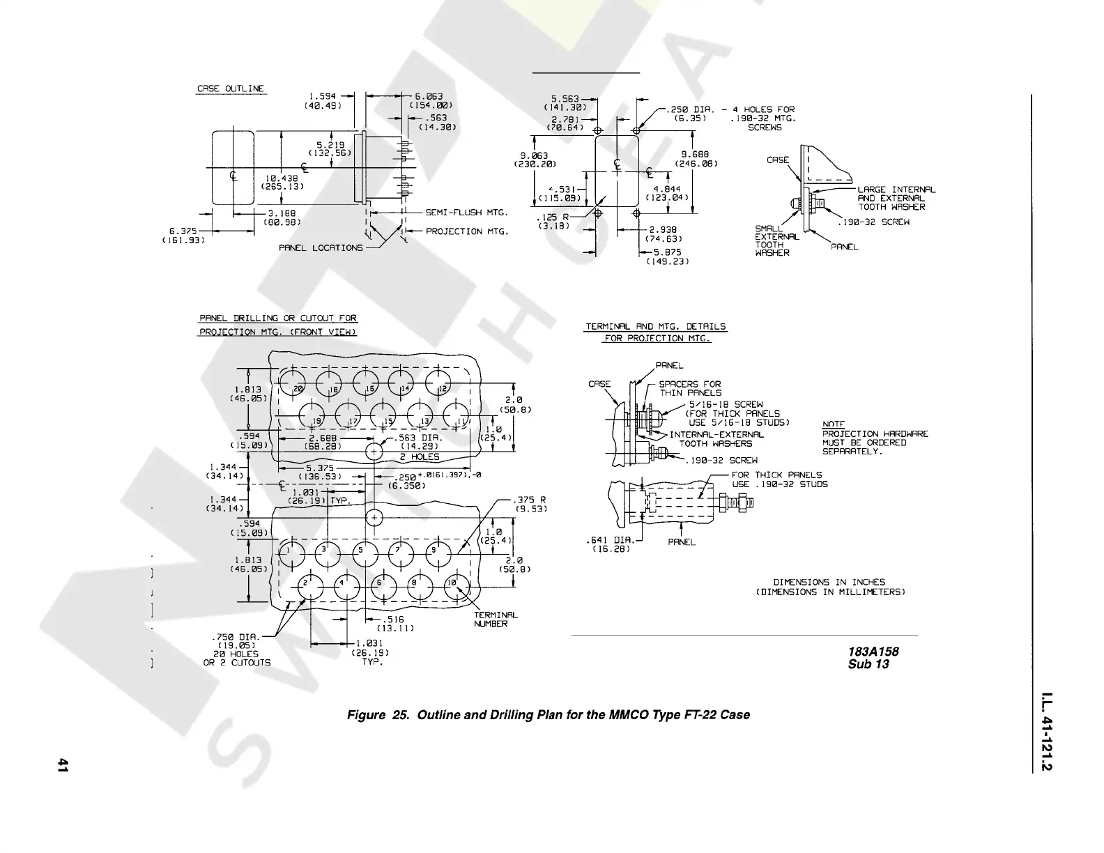
Figure
25
.
Outline
and
Drilling
Plan
for
the
MMCO
Type
FT
-
22
Case
ro
fo
Courtesy of NationalSwitchgear.com

Related product manuals