EasyManua.ls Logo

ABB PDP32.0 - Page 16

ABB PDP32.0
18 pages
Print Icon
To Next Page IconTo Next Page
To Next Page IconTo Next Page
To Previous Page IconTo Previous Page
To Previous Page IconTo Previous Page
Loading...
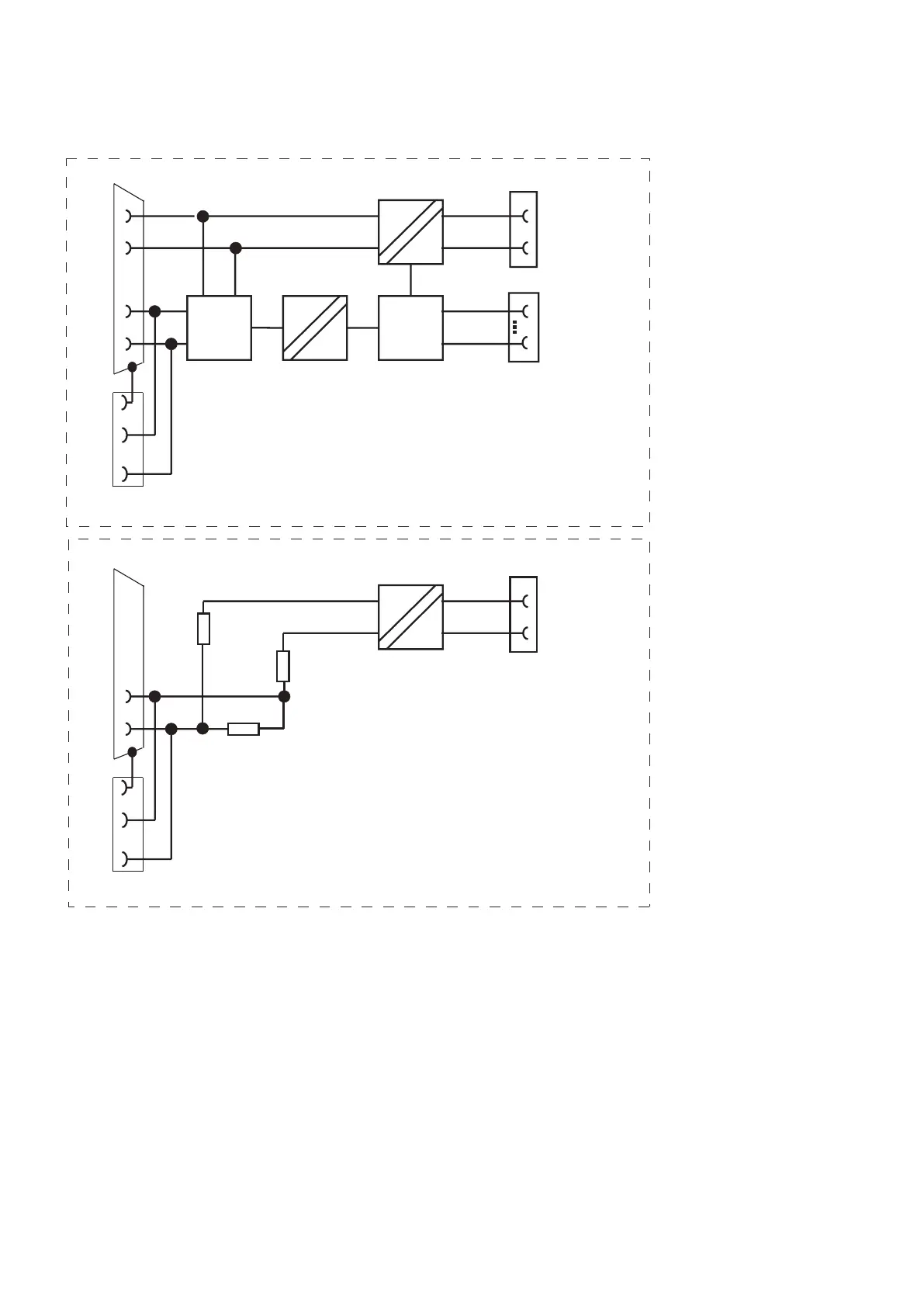
Block diagrams PDP32.0/PDR31.0
X3
1
2
3
SHLD
uC +
ASIC
A
B
5 V
0 V
24 V DC
X2
0 V
PDP32
<-> UMC
1
5
2
1
6
5
A
B
8
3
X3
X4
1
2
3
R390
R390
R220
PDR31
SHLD
RS485
Driver
6
5
8
3
X4
X1
5 V
0 V
24 V DC
X2
0 V
2
1
16PDP32.0 MANUAL

Related product manuals