EasyManua.ls Logo

ABB PSTX85 - Page 175

ABB PSTX85
188 pages
Print Icon
To Next Page IconTo Next Page
To Next Page IconTo Next Page
To Previous Page IconTo Previous Page
To Previous Page IconTo Previous Page
Loading...
1SFC132081M0201 | Installation and commissioning manual | Wiring and application diagrams 175
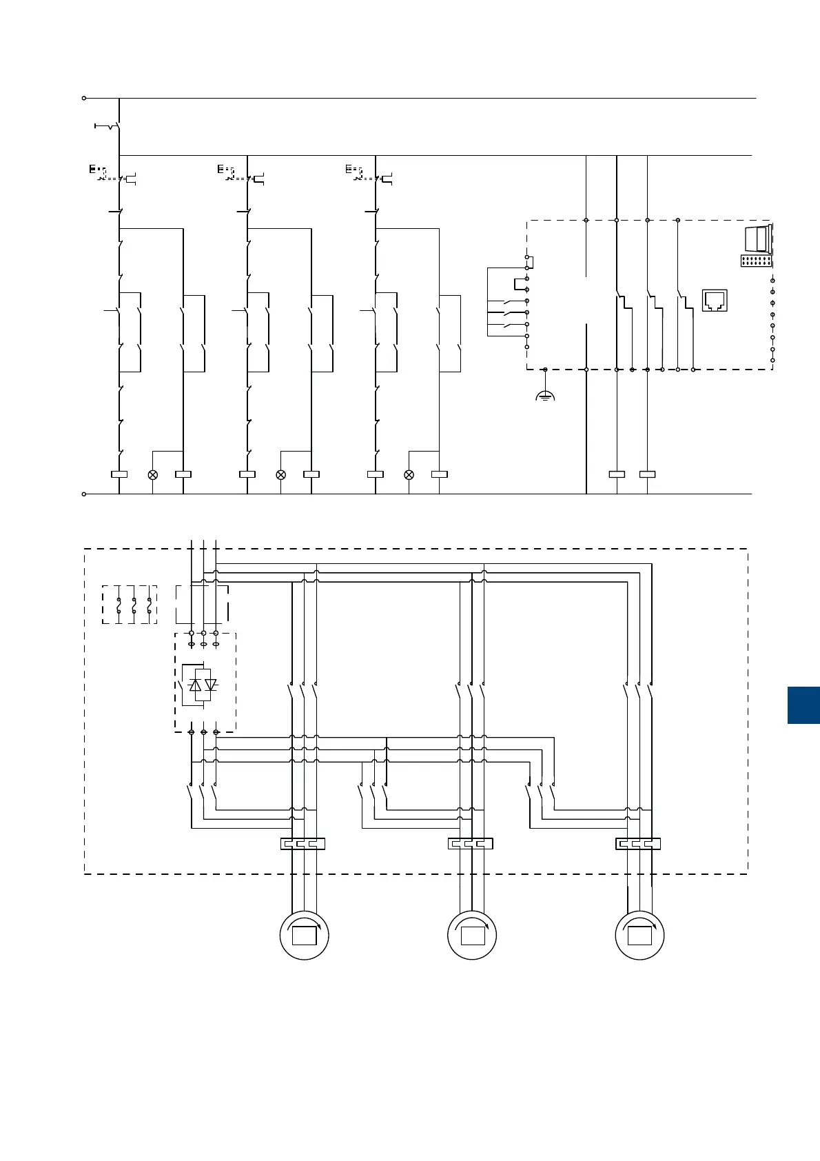
11.2.8 Sequence start
Alt. with
fuses
.2 .3
F1.1
W1
V1
U1
F26
6T32T14T2
2/T1
4/T2
6/T3
W1
V1
U1
F28
6T32T14T2
2/T1
4/T2
6/T3
W1
V1
U1
F30
6T32T14T2
2/T1
4/T2
6/T3
K26
2/T1 1/L1
4/T2
3/L2
6/T3
5/L3
K28
2/T1 1/L1
4/T2
3/L2
6/T3
5/L3
K30
2/T1 1/L1
4/T2
3/L2
6/T3
5/L3
K25
2/T1 1/L1
4/T2
3/L2
6/T3
5/L3
K27
2/T1 1/L1
4/T2
3/L2
6/T3
5/L3
K29
2/T1 1/L1
4/T2
3/L2
6/T3
5/L3
1L1
3L2 5L3
M1
M2
M3
6T32T14T2
PSTX
5L3
1L1
3L2
1
K12
Default:Top of ramp
Default: Run
Default: Event
Sostarter
PSTX
47
10
K4 K5
K6
Com 3
HMI
30 GND
29 +
28 +24V
27 T3
26 T2
25 T1
24 -(A)
23 +(B)
Temp In
Analog out
Com 1
Com 2
O/I
E
O
K25
S27
E
I
S25
H26
K26K25
K12
E
O
K27
S29
E
I
S27
H28
K28K27
K12
E
O
K29
S27
E
I
S29
H30
K30K29
K25
K27
K29
K12 K10
S25S25
S29
13 Start
22
14 Stop
15 In0
16 In1
17 In2
18
DGND
19 GND
+ 24V
2
5
8
11
9
6
12
21
20
95
96
F26
95
96
F28
95
96
F30
Start motor
1
Start motor
2
Start motor
3
K10
K29
K27
K26
K10
K25
K29
K28
K10
K25
K27
K30
Anybus
K10
K25 K26
K10
K27 K28
K10
K29 K30
100-250V
50/60 Hz
In Line for sequential start of 3 motors, no soft stop.
Internal EOL shall be deactivated. 13.05 EOL operation = Off
Start of optional motor. According to example 10.01 In0 function = Start1. 10.02 In1 function = Start2. 10.03 In2
function = Start3 For parameter settings see chapter 7.12 Sequence start.
11

Related product manuals