EasyManua.ls Logo

ABB RARIC - Page 13

ABB RARIC
17 pages
Print Icon
To Next Page IconTo Next Page
To Next Page IconTo Next Page
To Previous Page IconTo Previous Page
To Previous Page IconTo Previous Page
Loading...
RARIC
Shaft current protection
1MRK 502 001-UEN
Page 13
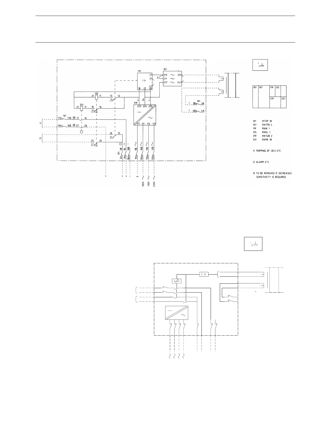
Fig. 7 Circuit diagram 7429 010-FC for RARIC, RK 649 101-FC, Ver-
sion 2,
with AC/DC-converter RXTUB 2.
Fig. 8 Terminal diagram 7429 010-ADA for RARIC, RK 649 101-AD,
Version 1.
7429010-FC
S1
S2
A
B
I
TRIPPING ETC.
ALARM ETC.
+
220V
110V
++-
SHAFT CURRENT PROTECTION
100V
0V
RARIC
16A
113:25
101
1A
18A
3B
101
4B
+
-
4A
3A
101
107:16
2A
319:26
17A
107:31
107:41
101
12A
11A
10A
9A
7429 010-ADA

Related product manuals