EasyManua.ls Logo

ABB RARIC - 8 DIAGRAMS

ABB RARIC
17 pages
Print Icon
To Next Page IconTo Next Page
To Next Page IconTo Next Page
To Previous Page IconTo Previous Page
To Previous Page IconTo Previous Page
Loading...
1MRK 502 001-UEN
Page 12
RARIC
Shaft current protection
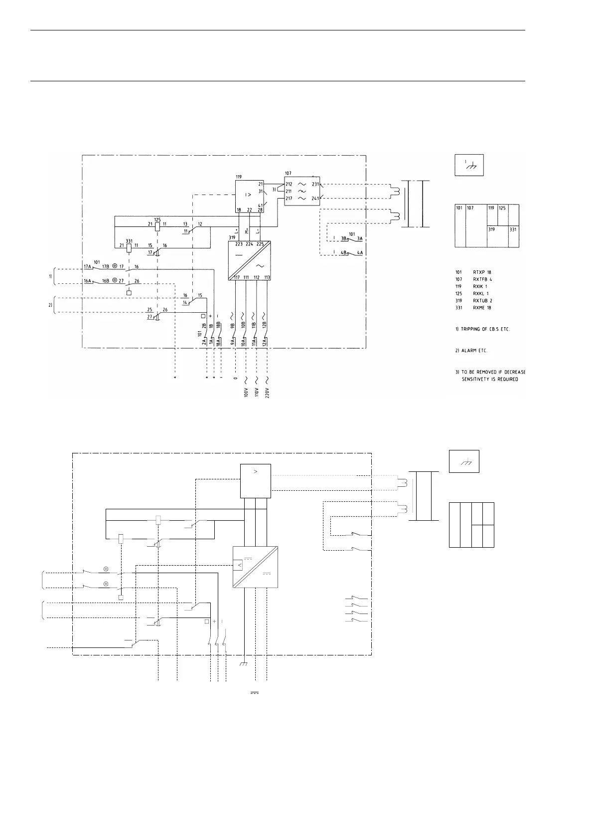
Fig. 5 Circuit diagram 7429 010-AD for RARIC, RK 649 101-AD, Ver-
sion 1, with AC/DC-converter RXTUB 2
Fig. 6 Circuit diagram 7429 010-BA for RARIC, RK 649 101-BA, Ver-
sion 1, with DC/DC-converter RXTUG 22H
8 DIAGRAMS
7429010-AD
31
18 22
I
28
41
21
4B
4A
16A
16B
1A
1B
18A
18B
I
U
126 127 128
118116117
11B
11A
10B
10A
9B
9A
12B
12A
313
21
11
24-250V
I
I
1)
2)
+++-
101
107
113
119
313
RTXP 18
RXTUG 22H
RXIK 1
RXKL 1
RXME 18
1) TRIPPING OF CB:S ETC.
2) ALARM ETC.
24C
4S
3)
-+
3) LOSS OF EL
+
17A
17B 17
27
101
16
26
316
318
317
25
27
26
16
14
15
15
17
13
11
12
16
119
21
11
107
101
2A 2B
113
3B
3A
101
101 107
113
119
313
7429010-BA

Related product manuals