EasyManua.ls Logo

ABB RARIC - 2.2 The ILDD shaft current transformer

ABB RARIC
17 pages
Print Icon
To Next Page IconTo Next Page
To Next Page IconTo Next Page
To Previous Page IconTo Previous Page
To Previous Page IconTo Previous Page
Loading...
RARIC
Shaft current protection
1MRK 502 001-UEN
Page 5
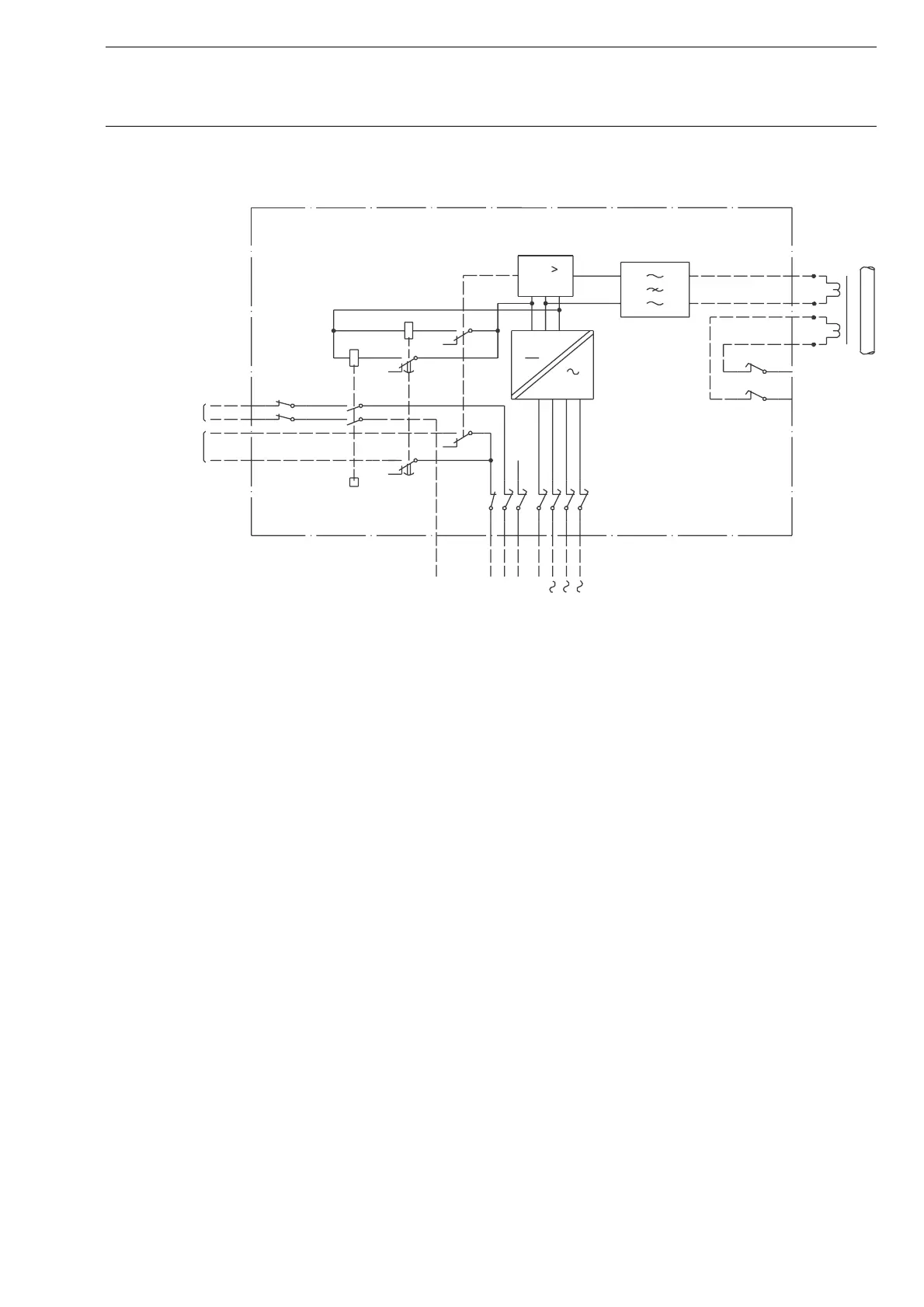
Fig. 1 Basic circuit for RARIC.
The ILDD shaft-current transformer is of special design with high quality
core steel, where the number of secondary turns and the core cross-sec-
tional area are optimized to the diameter of the transformer to get the low-
est possible primary operate current when connected to the RXIK 1 relay.
The measuring and the test windings are covered with cotton tape and then
embedded in a circular shaped U-profile for mechanical protection and
magnetic screening. The profile with the core and the windings is then
embedded in resin.
The transformer is split up in two parts for sizes with inner diameter up to
and including 2 000 mm. For larger diameters, the transformer is split up
in four parts. When the parts are jointed, the steel sheets of the core are
interleaved with an overlap of about 30 mm.
The measuring winding, with 400 - 800 turns depending on the diameter
of the transformer, is evenly distributed on the parts of the core. When the
transformer parts are mounted together, the parts of the measuring wind-
ing must be connected to the terminals S, see Fig. 2. The pilot-wires to the
RARIC protection are connected to terminals S1 -S2, see Fig. 2.
The test winding has four turns and is connected to terminals marked
A and B.
ALARM
TRIP
17A
16A
1
-
+++
0
100V
110V
220V
18A
2A
1A
1:
9A
10A
11A
12A
5
3
6
4
+
0
-
2
3A3B
4A4B
S1
S2
B
A
1
Ι
Ι
Ι
502001
-5
2.2 The ILDD shaft current transformer

Related product manuals