EasyManua.ls Logo

ABB REB650 - Page 60

ABB REB650
322 pages
To Next Page IconTo Next Page
To Next Page IconTo Next Page
To Previous Page IconTo Previous Page
To Previous Page IconTo Previous Page
Loading...
L1
IED
L2
132
2
110
2
kV
V
1
3
2
132
2
110
2
kV
V
IEC16000140-1-en.vsdx
4
SMAI2
BLOCK
^GRP2L1
^GRP2L2
^GRP2L1L2
^GRP2N
AI2P
AI1
AI2
AI3
AI4
AIN
5
IEC16000140 V1 EN-US
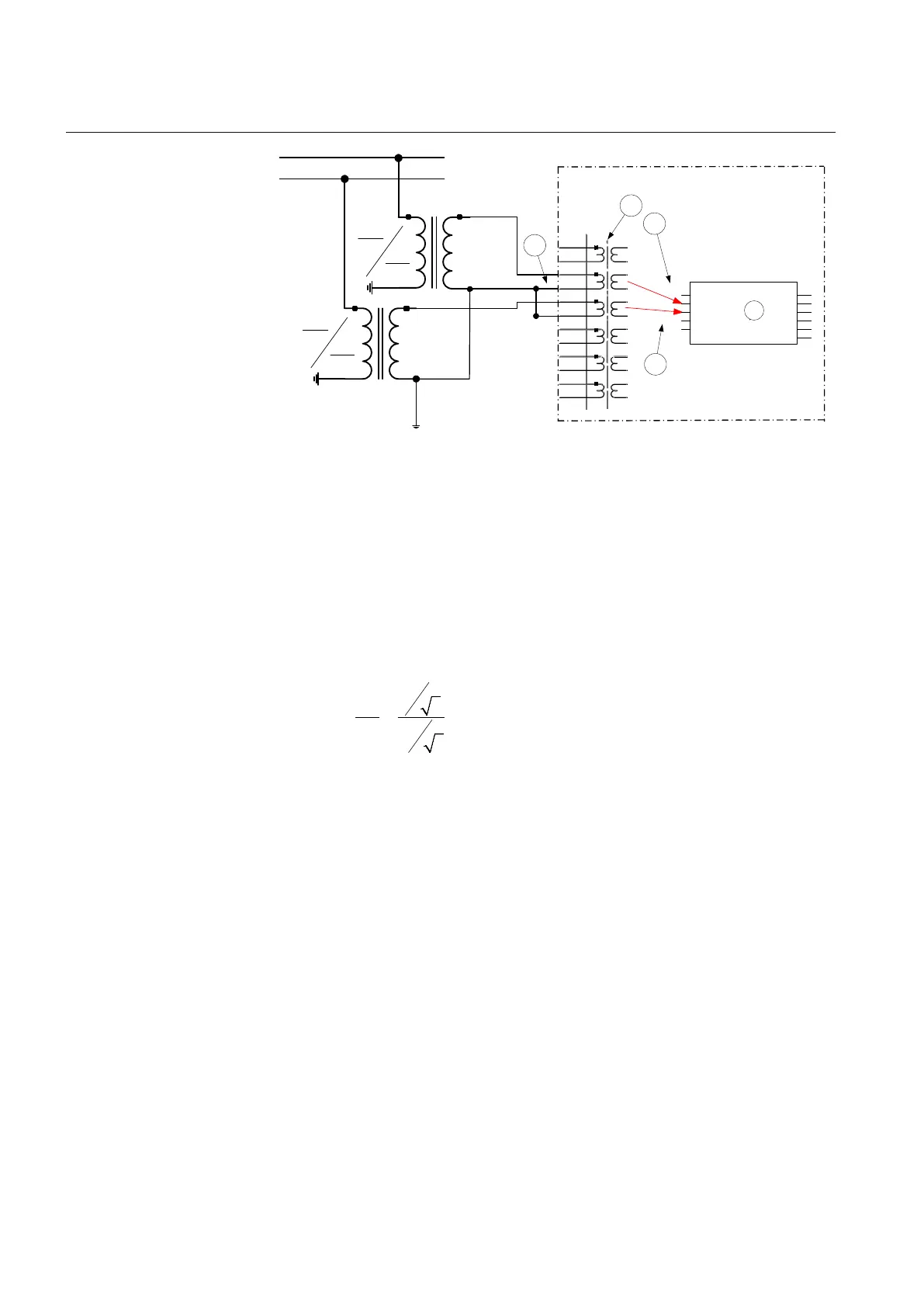
Figure 18: A two phase-to-earth connected VT
Where:
1) shows how to connect three secondary phase-to-earth voltages to three VT inputs on
the IED
2) is the TRM where these three voltage inputs are located. For these three voltage
inputs, the following setting values shall be entered:
VTprim
=
132 kV
VTsec
=
110 V
Inside the IED, only the ratio of these two parameters is used. It shall be noted that the
ratio of the entered values exactly corresponds to ratio of one individual VT.
66
66
3
110
110
3
=
EQUATION1903 V1 EN-US (Equation 2)
Table continues on next page
Section 4 1MRK 505 388-UEN B
Analog inputs
54 Busbar protection REB650 2.2 IEC
Application manual

Table of Contents

Other manuals for ABB REB650

Related product manuals