EasyManua.ls Logo

ABB REB650 - Analog Input Data Variations

ABB REB650
322 pages
To Next Page IconTo Next Page
To Next Page IconTo Next Page
To Previous Page IconTo Previous Page
To Previous Page IconTo Previous Page
Loading...
1
L1
IED
L2
L3
138
3
115
3
kV
V
+3Uo
138
3
115
3
kV
V
138
3
115
3
kV
V
IEC06000602-4-en.vsdx
# Not Used
# Not Used
# Not Used
SMAI2
BLOCK
REVROT
^GRP2L1
^GRP2L2
^GRP2L3
^GRP2N
AI3P
AI1
AI2
AI3
AI4
AIN
2
3
4
5
IEC06000602 V4 EN-US
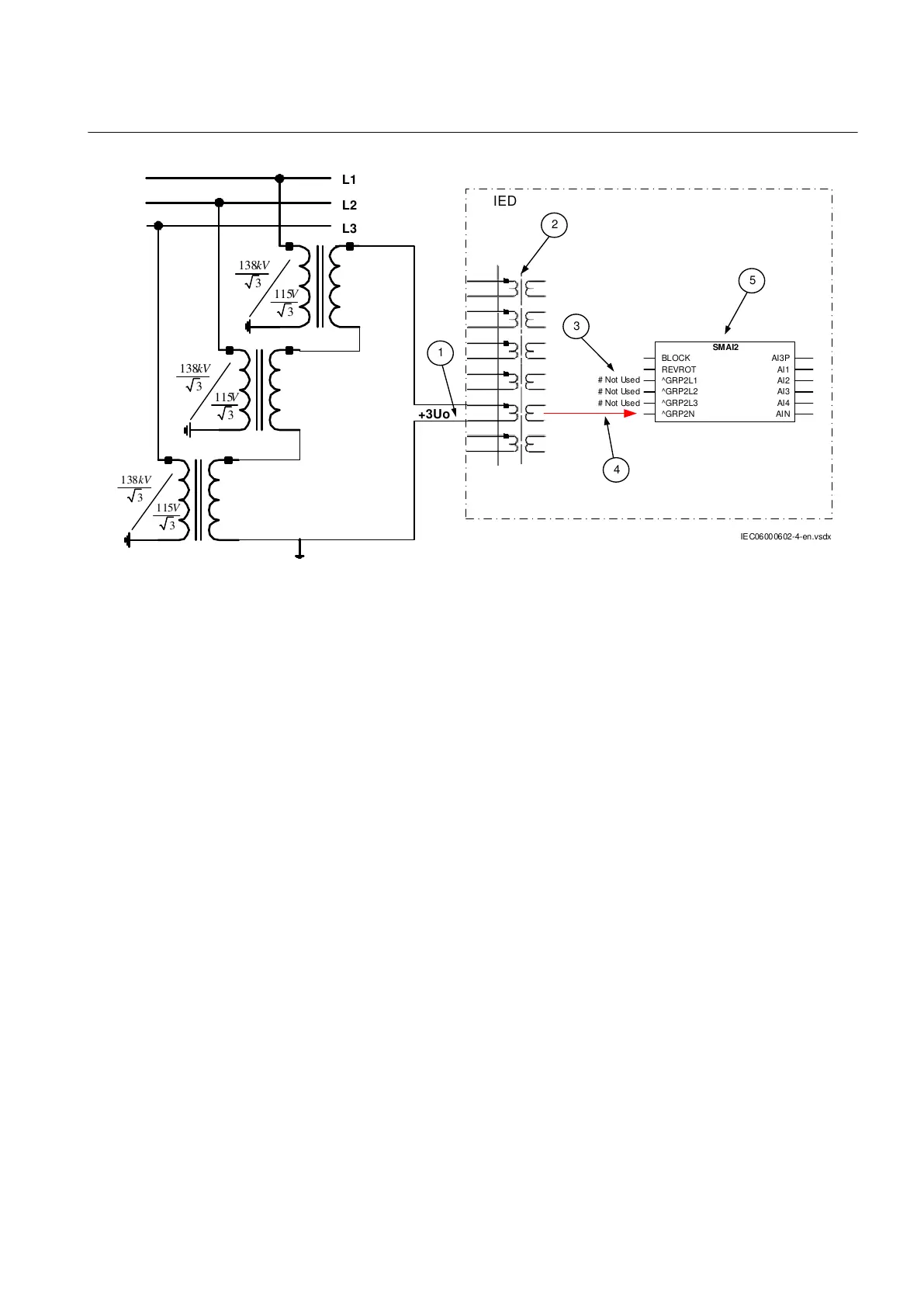
Figure 21: Open delta connected VT in low impedance or solidly earthed power system
1MRK 505 388-UEN B Section 4
Analog inputs
Busbar protection REB650 2.2 IEC 61
Application manual

Table of Contents

Other manuals for ABB REB650

Related product manuals