EasyManua.ls Logo

ABB REM615 B - Page 355

ABB REM615 B
896 pages
Print Icon
To Next Page IconTo Next Page
To Next Page IconTo Next Page
To Previous Page IconTo Previous Page
To Previous Page IconTo Previous Page
Loading...
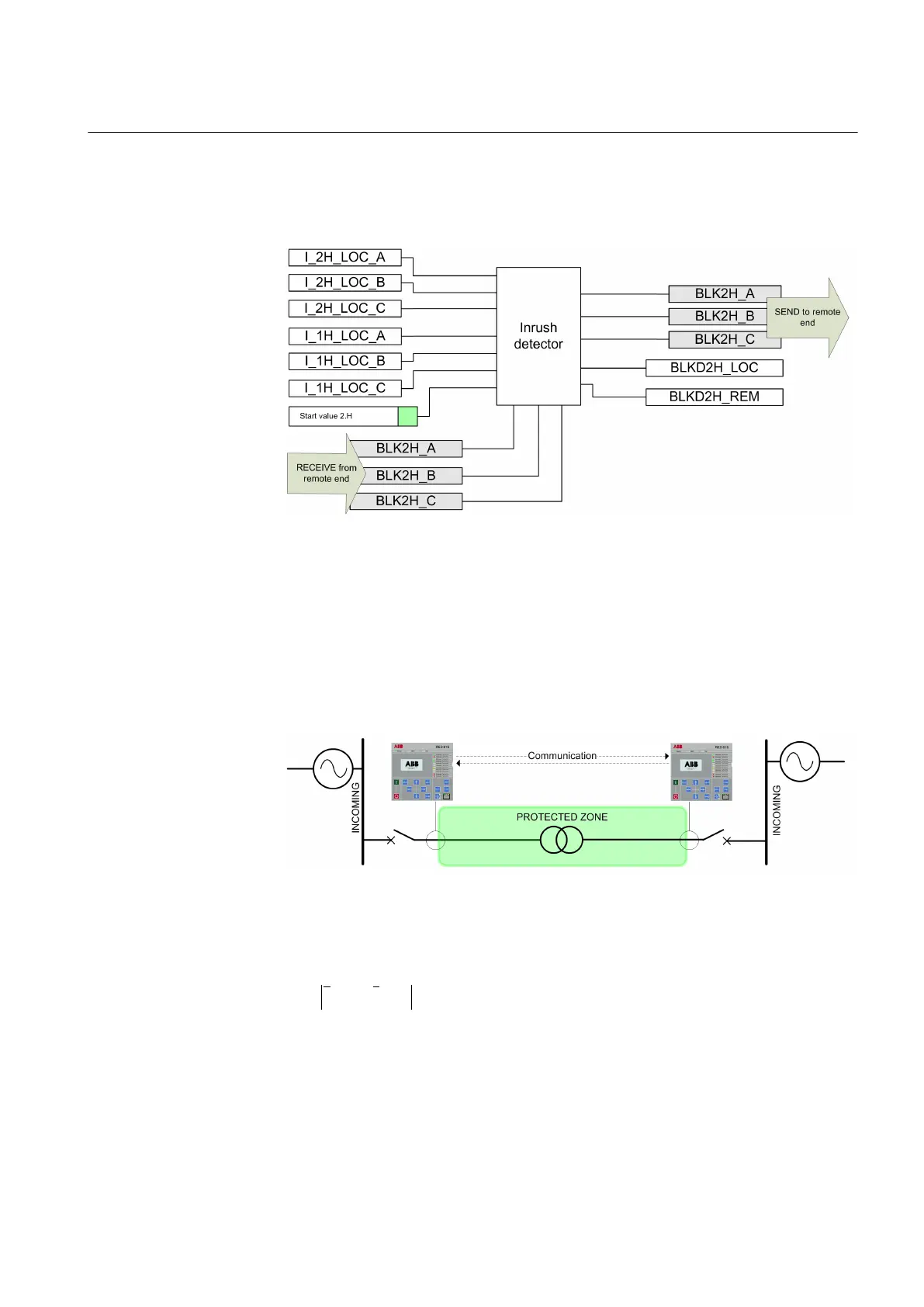
parameter value. When the internal blocking of the stabilized low stage is
activated, the RSTD2H_LOC and RSTD2H_REM outputs will also be activated at
the same time depending on whether the inrush has been detected on local or
remote end or on both ends.
GUID-92818F6B-4FB7-4D5C-AF64-36786F31AED8 V3 EN
Figure 181: Inrush current detection logic
Differential calculation
The operating principle is to calculate on both ends differential current from
currents entering and leaving the protection zone by utilizing the digital
communication channels for data exchange. The differential currents are almost
zero on normal operation. The differential protection is phase segregated and the
differential currents are calculated separately on both ends.
GUID-E9D80758-16A2-4748-A08C-94C33997E603 V2 EN
Figure 182: Basic protection principle
The differential current I∆ (I
d
) of the IED is obtained on both ends with the formula:
I I I
d
LOC REM
= +
GUID-9C08695B-8241-4B74-AA2A-B64783F9C288 V2 EN (Equation 29)
The stabilizing current I
bias
(I
b
) of the IED is obtained on both ends with the formula:
1YHT530004D05 D Section 4
Protection functions
615 series 349
Technical Manual

Table of Contents

Related product manuals