EasyManua.ls Logo

ABB SPAF 140 C - Connections

ABB SPAF 140 C
56 pages
Print Icon
To Next Page IconTo Next Page
To Next Page IconTo Next Page
To Previous Page IconTo Previous Page
To Previous Page IconTo Previous Page
Loading...
4
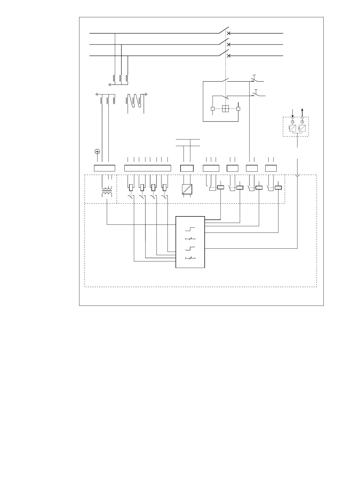
Connections
IRF
SS1
TS1
SS2
TS2
SS3
TS3
SS4
TS4
I/O
BS1
BS2
BS3
BS4
BS5
U1
4
f
4
df/dt
48 47 46 45 23 22 11 10
BS4 BS3 BS2 BS1
X0 63 13 14 16
62 61
U
aux
+-
=
~_
+ (~)
- (~)
70 71 72 68 69
85 86 87 88
IRF SS1 TS1 TS2
SERIAL
PORT
(SPA)
+ + +
SPA-ZC_
Rx Tx
U3
+
U2
100 V
Not
Used
a
n
d
d
N
A
+
01
-
-
+
0
+
1
Fig. 1. Connection diagram for frequency relay SPAF 140 C
U
aux
Auxiliary voltage
TS1, TS2 Output relays (heavy-duty)
SS1 Output relay
IRF Self-supervision output relay
BS1...BS4 Control signals
U1 Combined frequency and rate of change of frequency relay module
SERIAL PORT Serial communication port
SPA-ZC_ Bus connection module
Rx/Tx Fibre-optic cable connection

Related product manuals