EasyManua.ls Logo

ABB VTC254-23 - Page 44

ABB VTC254-23
206 pages
Print Icon
To Next Page IconTo Next Page
To Next Page IconTo Next Page
To Previous Page IconTo Previous Page
To Previous Page IconTo Previous Page
Loading...
10101
ABB Turbo Systems Ltd
- B -
Seite / Page 8 ABB Turbocharger VTC..4
Inbetriebnahme Kap. / Chap. 2 Putting into operation
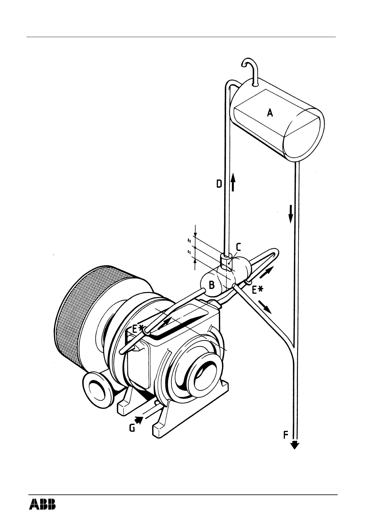
Fig. 2-3
Kühlen des Gasaustrittsgehäuses
Cooling the gas outlet casing

Table of Contents

Related product manuals