EasyManua.ls Logo

Ablerex TAURUS 30 kVA - Page 31

Default Icon
60 pages
Print Icon
To Next Page IconTo Next Page
To Next Page IconTo Next Page
To Previous Page IconTo Previous Page
To Previous Page IconTo Previous Page
Loading...
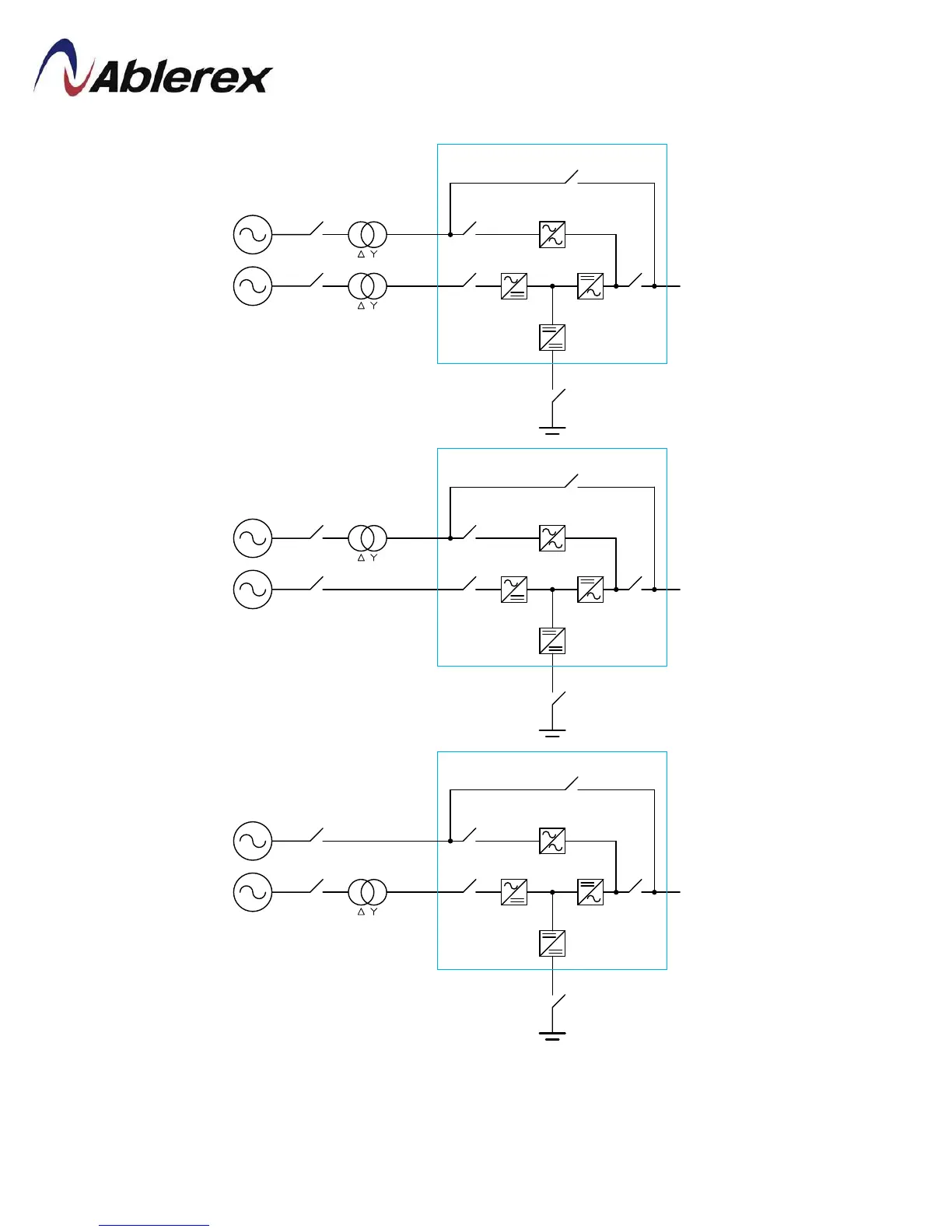
UPS with dual inputsand isolation transformer
Load
3P
3P+N
3P
3P+N
Load
3P+N
3P
3P+N
Load
3P 3P+N
3
P+N
Note : You have to install an isolation transformer on one of the inputs if the two power
system are different.
29
192321262008007

Related product manuals