EasyManua.ls Logo

Ablerex TAURUS 30 kVA - Function Description; UPS Block Diagram

Default Icon
60 pages
Print Icon
To Next Page IconTo Next Page
To Next Page IconTo Next Page
To Previous Page IconTo Previous Page
To Previous Page IconTo Previous Page
Loading...
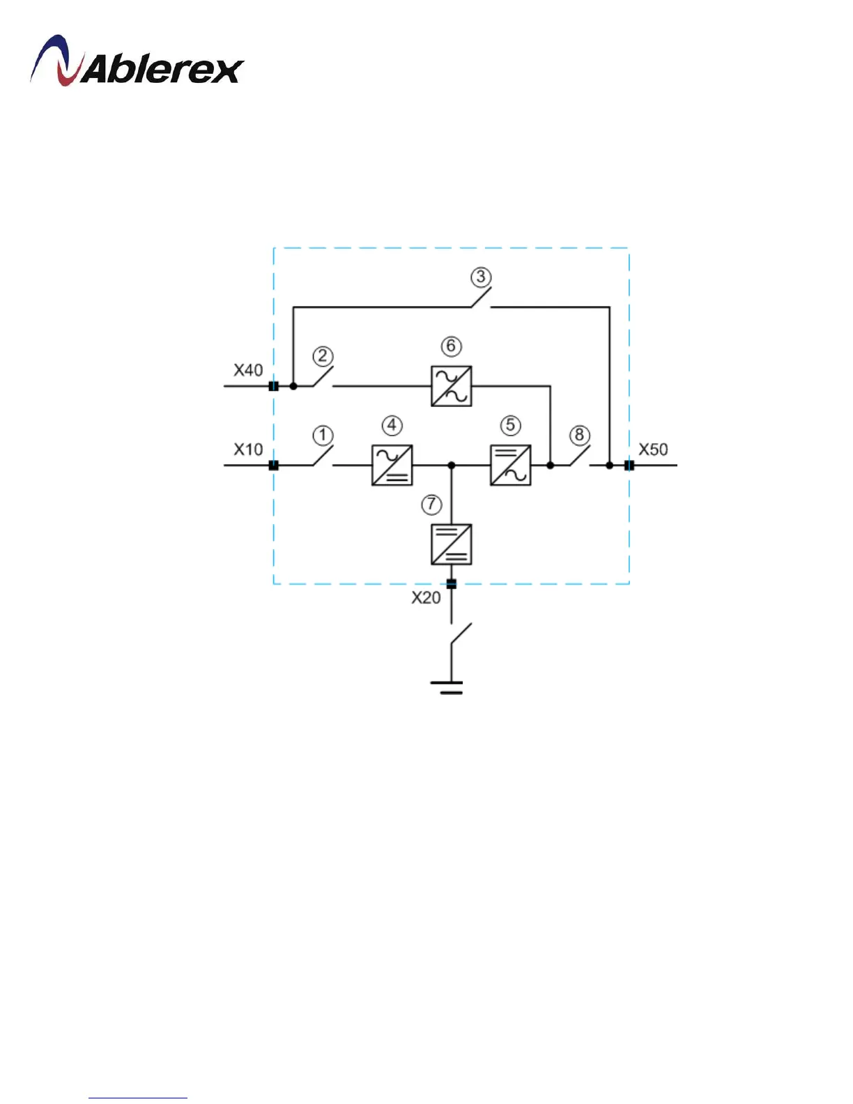
1. Function Description
1.1 UPS Block Diagram
This UPS provides Mains input and Bypass input for dual inputs application. The system
blockdiagram is shown as below.
1E
Input Switch
A
5E
Inverter
A
2E
Bypass Switch
A
6E
Static Switch
A
3E
Manual Bypass Switch
A
7E
Charger/Booster
A
4E
Rectifier
A
8E
Output Switch
Load
Bypass Input
Mains Input
Battery
3
192321262008007

Related product manuals