EasyManua.ls Logo

Acer H7532BD - Getting Started; Connecting the Projector

Acer H7532BD
58 pages
Print Icon
To Next Page IconTo Next Page
To Next Page IconTo Next Page
To Previous Page IconTo Previous Page
To Previous Page IconTo Previous Page
Loading...
8
English
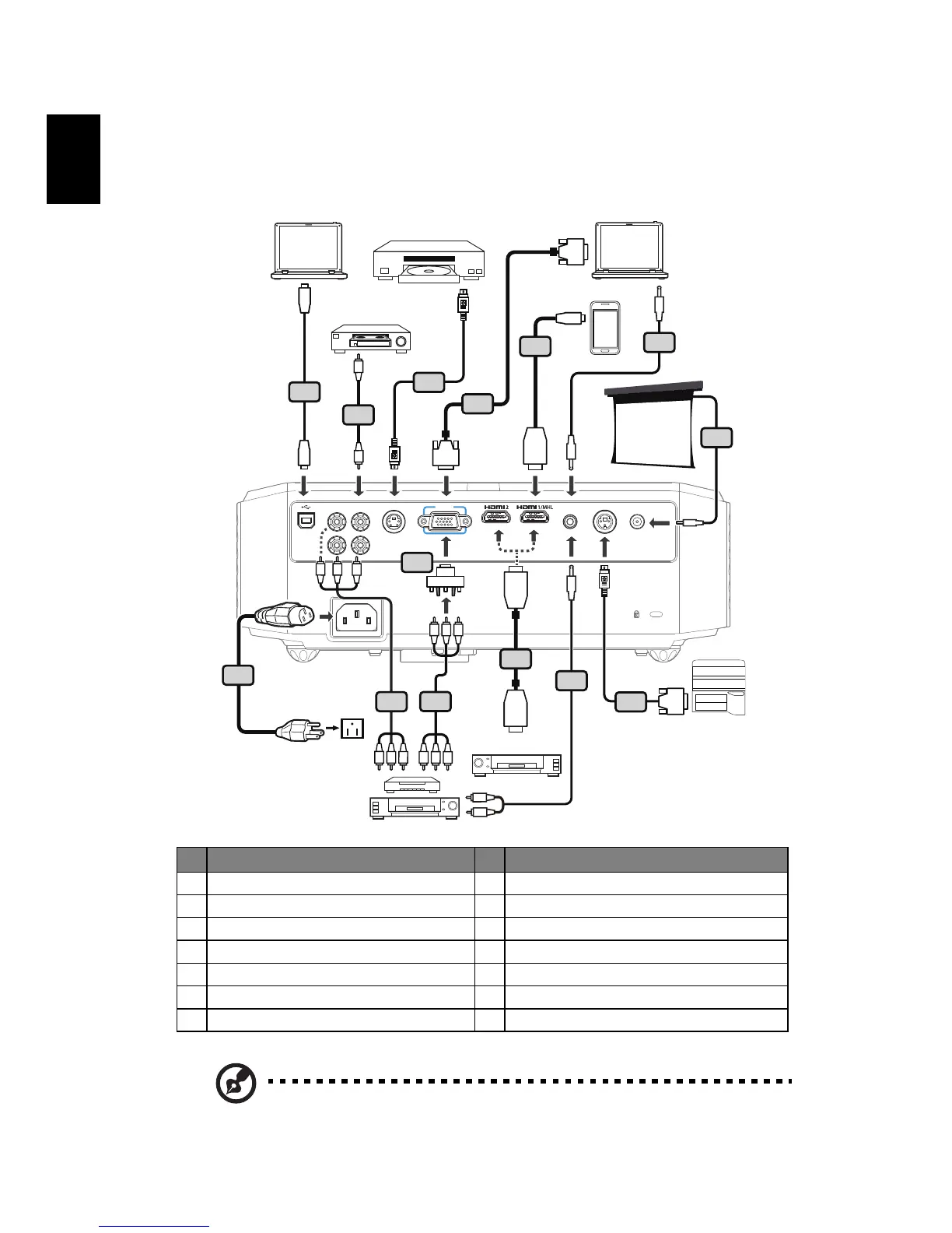
Getting Started
Connecting the Projector
Note: To ensure the projector works well with your computer,
please make sure the timing of the display mode is compatible
with the projector.
Note: USB cable needs powered extender if the length is over 5 m.
# Description # Description
1Power cord 8S-Video cable
2 USB cable 9 Composite video cable
3 VGA cable 10 Audio cable Jack/RCA
4 HDMI cable 11 12V DC cable
5 Audio cable jack/jack 12 MHL cable (MicroUSB to HDMI)
6 RS232 cable 13 VGA to Component/HDTV adapter
7 3 RCA component cable
Pb/CbPb/Cb Pr/CrPr/Cr
Y
S-VIDEO S-VIDEO VGA INVGA IN AUDIO INAUDIO IN RS232RS232 DC OUTDC OUTVIDEOVIDEO
HDTV adapter
13
RB
G
RBG
7
R
W
10
HDMI
HDMI
4
D-Sub
D-Sub
3
5
2
USB
USB
Y
Y
9
8
RS232
RS232
6
RBG
7
G
B
R
11
1
HDMI
12
USB
MHL
DVD player
DVD player,
Set-top Box,
HDTV receiver
Video Output
S-Video Output

Other manuals for Acer H7532BD

Related product manuals