EasyManua.ls Logo

Acer T230H - Page 65

Acer T230H
78 pages
To Next Page IconTo Next Page
To Next Page IconTo Next Page
To Previous Page IconTo Previous Page
To Previous Page IconTo Previous Page
Loading...
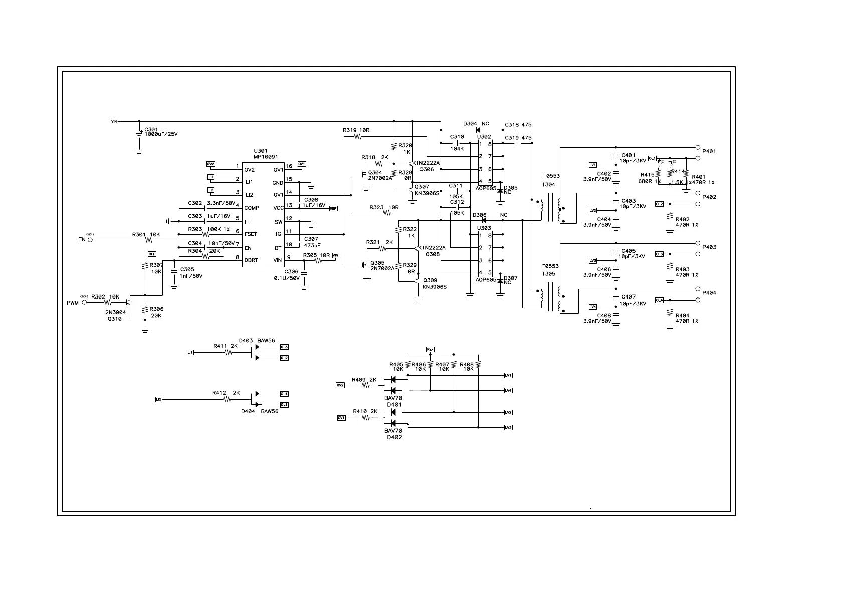
POWER BOARD_2

Other manuals for Acer T230H

Related product manuals