EasyManua.ls Logo

Acorn CB200 - Page 7

Acorn CB200
11 pages
Print Icon
To Next Page IconTo Next Page
To Next Page IconTo Next Page
To Previous Page IconTo Previous Page
To Previous Page IconTo Previous Page
Loading...
Written by: R Patel Checked by: AJC
Document No.: CBAPP Rev.: 7 Page 7 of 11 Date: 06/06/2003
RS485 Cable Specification
Generic Type: RS422/RS485 data cable.
Conductors: Single pair plus screen.
Alpha cable: 3492C, 6222C, 6412 or equivalent
Belden cable: 8102, 8132, 9841 or equivalent
NOTE:
On 4 and 8 zone panels the total available current for field devices is 800mA
at 28VDC. This current must be shared between the auxiliary 24VDC supply
and the four alarm circuits such that the total current drain across the five
circuits does not exceed 800mA.
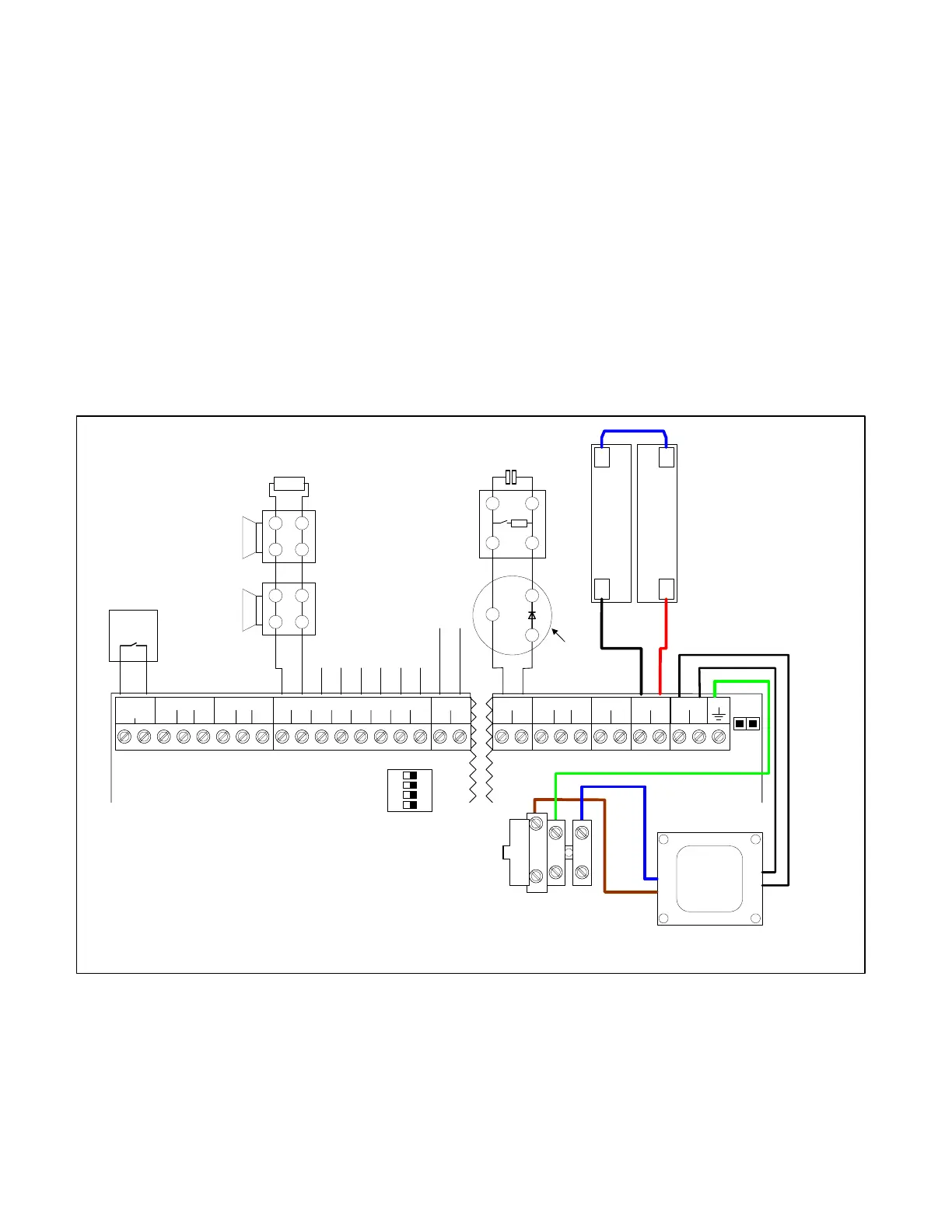
4.1 Typical Terminal Wiring Schematic (8 zone illustrated)
Note: This is a schematic representation only and not a PCB layout drawing.
CLASS
CHANGE
AUX FAULT
N/O P N/C
AUX FIRE
N/O P N/C
ALARM CIRCUITS
AL4- AL4+ AL3- AL3+ AL2- AL2+ AL1- AL1+
ZONE 8
Z8- Z8+
ZONE 1
Z1- Z1+
REPEATER
B A SCN
AUX
24V 0V
24V
BAT- BAT+
SECONDARY EARTH
AC IN .
~ ~ .
LINK FOR
BUZZER
ENABLE
L E N
230V AC 50Hz
5A MAINS
SUPPLY
3K9 RESISTOR
End-Of-Line
Device
NORMALLY
OPEN
SWITCH
ALARMS 1, 2 & 3 SAME
AS ALARM 4
+
+
-
-
+
+
-
-
ZONES 2-8
SAME AS
ZONE 1
+
-
+
+
-
+
-
22uF CAPACITOR
End-Of-Line
Device
+
-
+
-
12V
BATTERY
12V
BATTERY
MANUAL CALL
POINT WITH
680R
RESISTOR
DETECTOR
BASE WITH
SCHOTTKY
DIODE
1 2
1A 2A
230V AC
TRANSFORMER
1234
ON
RA0
RA1
Z1NL
NU
www.acornfiresecurity.com