EasyManua.ls Logo

ACP AXP20 - Page 40

ACP AXP20
46 pages
Print Icon
To Next Page IconTo Next Page
To Next Page IconTo Next Page
To Previous Page IconTo Previous Page
To Previous Page IconTo Previous Page
Loading...
38
Radiant
RTD
Convection
RTD
INTERLOCK POSITION
DOOR CLOSED
F6
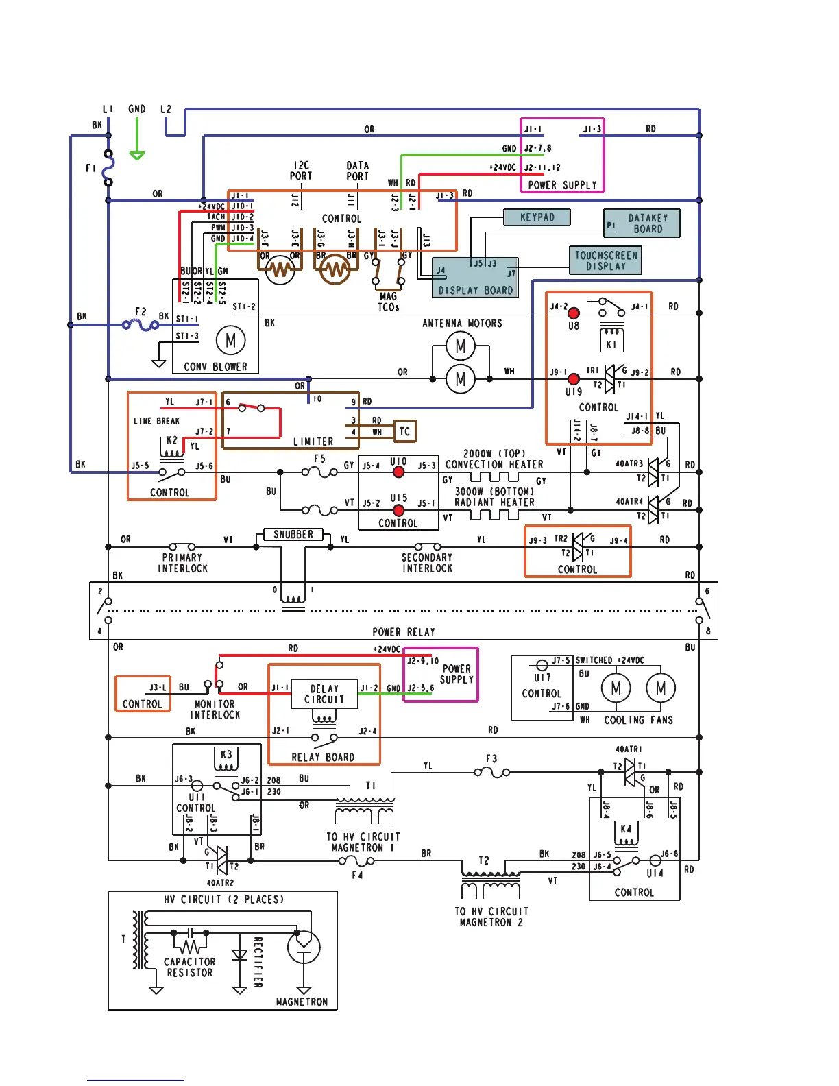
Schematic Diagram - AXP20 P1333601M, P1333602M, AXP20JB P1333606M, AXP20MK P1333612M,
MXP20 P1333614M, P1333615M

Other manuals for ACP AXP20

Related product manuals