EasyManua.ls Logo

ACP AXP20 - Page 41

ACP AXP20
46 pages
Print Icon
To Next Page IconTo Next Page
To Next Page IconTo Next Page
To Previous Page IconTo Previous Page
To Previous Page IconTo Previous Page
Loading...
39
J2
J3
J7
BU
BU
YL
YL
J8
OR
RD
YL
VT
BK
OR OR BR BR
J12
RD
CONTROL
BOARD
J5
J1
BU
J13
GY GY BU
J10 J14
BU
GY
J9
RD
YL
RD
WH
J4
RD
BU
J6
BU
BK
GY
J11
J15
J4
J6
J5
J3
DISPLAY
BOARD
P2
P1
DATA KEY
BOARD
MAG TCO
SNUBBER
F FA
WH
GN
BK
OR
POWER
RELAY
VT
YL
1
8
6
4
2
0
CAPACITOR 1
MAG TCO
GY
F FA
RECTIFIER
CAPACITOR 2
5 HV
4
POWER
CORD
WH
OR
LEFT
ANTENNA
MOTOR
LEFT
POWER
XFMR 2
COM 230
GY
RECTIFIER
5
10
9
GY
WIRING DIAGRAM
PART NO. 20032701
WIRE CODE
HIGH VOLTAGE
LOW VOLTAGE
BLUE BU BLACK BK ORANGE OR BROWN BR
PINK PK WHITE WH YELLOW YL RED RD
GRAY GY GREEN GN VIOLET VT TAN TN
200
6
5 HV
4
RIGHT
POWER
XFMR 1
COM 230200
6
TOP CONVECTION HEATER
4
3
2
1
8
7
6
ST1
BU
ST2
GN
CONVECTION BLOWER
KEYPAD
J7
TOUCH
SCREEN
DISPLAY
PRIMARY
INTLK
SWITCH
TERM
BLOCK
NO
COM
NC
RADIANT RTD
WH
THERMOCOUPLE
MAGNETRON 2
YL
BR
BU
GY
OR
VT
VT
SECONDARY
INTLK
SWITCH
NO
COM
NC
GY
OR
VT
BR
RD
YL VT
YL
OR
BU
OR
BK
VT
FUSE F6
BU
GY
FUSE F5
BU BK GY GY VT VT
WH
YL
RD
WH
BK
YL
BK
YL
FUSE F2
F3
F4
BR
BR
FUSE F1
OR
BK
BK
OR
RD
RD
RD
BU
RD
RD
RD
YL
YL
YL
YL
MAGNETRON 1
WH
BK
RD
RD
1 G
2
RADIANT
HEATER
TRIAC TR4
YL
VT
VT
RD
GNYLORBU
VT
OR
CONVECTION
HEATER
TRIAC TR3
GY
BK
OR
GY
BU
GY
GY
RD
OR
BK
BK
BU
BU
RD
RD
RD
WH
WH
YL
YL
OR
OR
RD
RD
CONVECTION RTD
BR
BR
BK
BOTTOM RADIANT HEATER
OR
OR
1 G
2
XFMR
TRIAC
TR2
VT
BR
BK
1
G
2
LEFT
COOLING
FAN
RD
BU
BU
WH
RIGHT
COOLING
FAN
RD
BU
BU
WH
BK
XFMR
TRIAC
TR1
RD
1
G
2
RD
RIGHT
ANTENNA
MOTOR
OR
YL
FILTER
BOARD
J1 J3
LIMITER
TERM
BLOCK
J2
WH
WH
WH
RD
RD
RD
J1
POWER SUPPLY
BOARD
RD
OR
WH
NO
C
NC
MONITOR
INTLK SWITCH
OR
BURD
RELAY
BOARD
J2
BK
RD
J1
WH
OR
RD
BU
RD
BU
VT
BU RD
BR
ADAPTOR
BD PLUG
10
OR
VT
BR
RD
CONTROL
XFMR
1
6
5
RD
BR
FUSE
F7
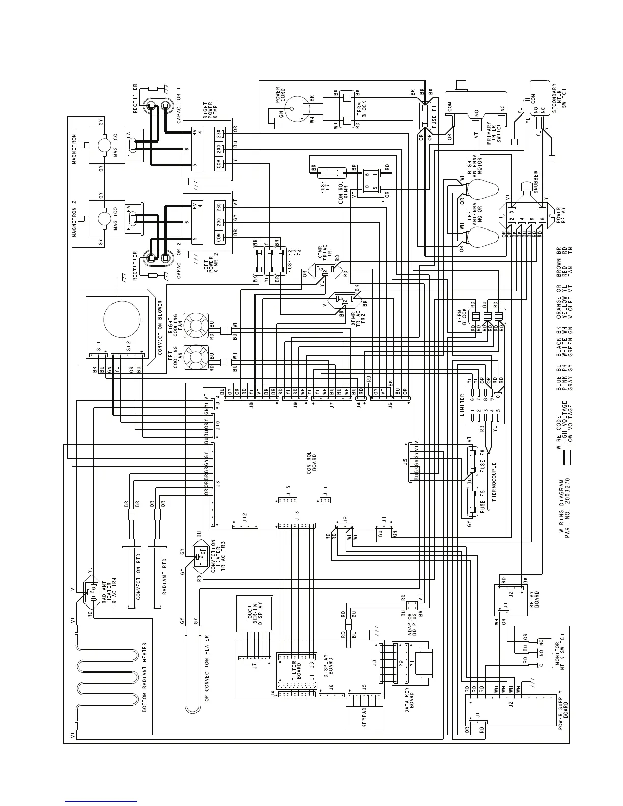
Wiring Diagram - AXP20QT P1333610M

Other manuals for ACP AXP20

Related product manuals