EasyManua.ls Logo

ACP MXP22*T - Wiring Diagrams; Schematics

ACP MXP22*T
38 pages
Print Icon
To Next Page IconTo Next Page
To Next Page IconTo Next Page
To Previous Page IconTo Previous Page
To Previous Page IconTo Previous Page
Loading...
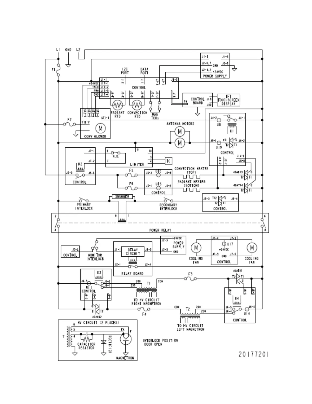
SCHEMATICS & DIAGRAMS
P2004210M
32

Related product manuals